k-part
Наименование Страница Код страницы
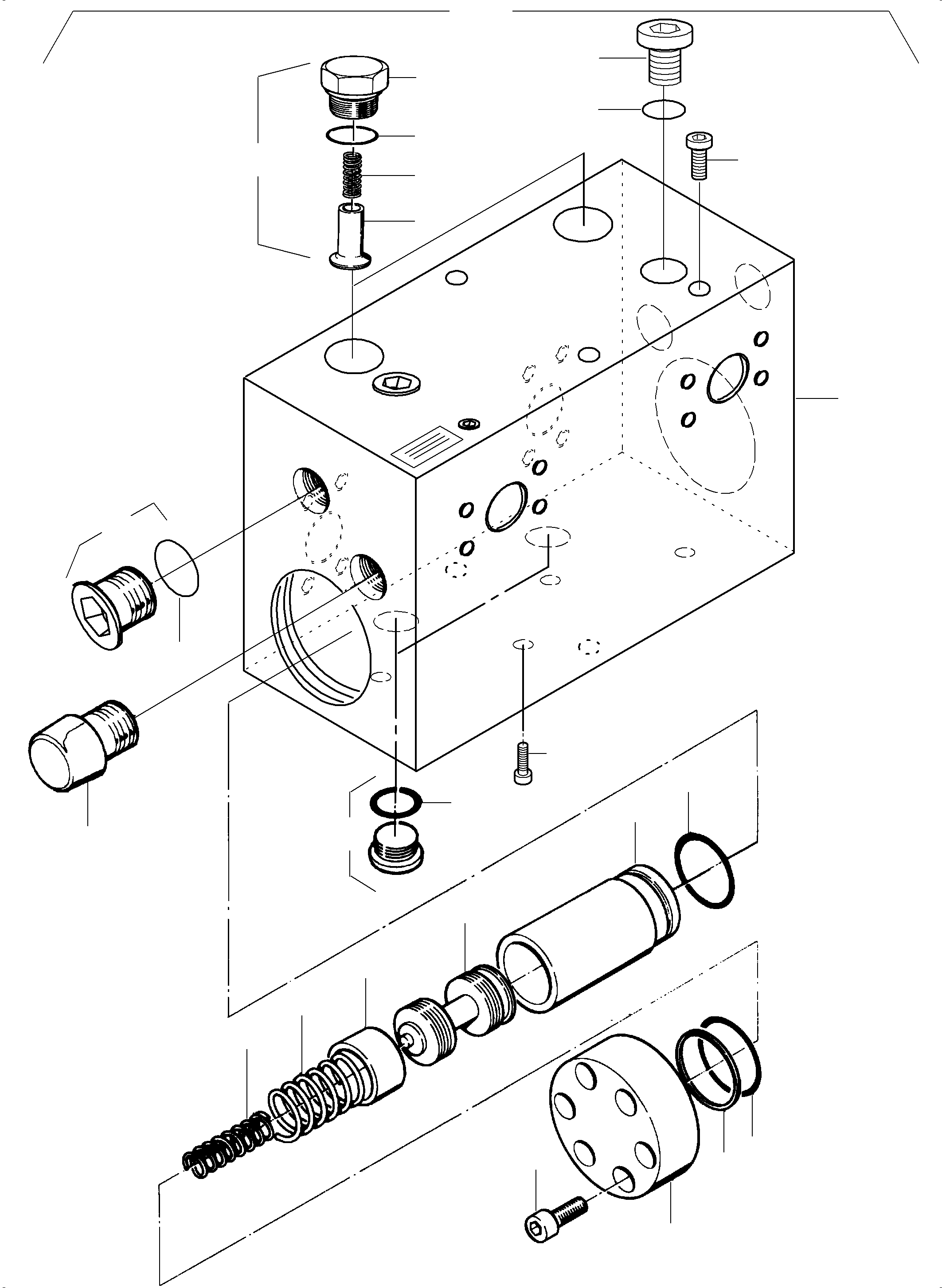
Pressure Relief Valve 090-0186 090-0186

Номер на схеме Каталожный номер Название Количество Детали
? 358 611 40 Brake valve, assy. 265 bar 1
EnglischBem:
DeutschBem:
DeutschDesc: Bremsventil, kpl. 265 bar
InternBDB:
InternKon:
SerienBem:
Zwhead_Deu:
Zwhead_Eng:
? Housing 1
EnglischBem:
DeutschBem:
DeutschDesc: Gehдuse
InternBDB:
InternKon:
SerienBem:
Zwhead_Deu:
Zwhead_Eng:
? 767 027 73 Plug 6
EnglischBem:
DeutschBem:
DeutschDesc: VerschluЯschraube
InternBDB:
InternKon:
SerienBem:
Zwhead_Deu:
Zwhead_Eng:
? 319 311 99 Screw 12
EnglischBem:
DeutschBem:
DeutschDesc: Schraube
InternBDB:
InternKon:
SerienBem:
Zwhead_Deu:
Zwhead_Eng:
? 754 712 Cover 2
EnglischBem:
DeutschBem:
DeutschDesc: Deckel
InternBDB:
InternKon:
SerienBem:
Zwhead_Deu:
Zwhead_Eng:
? 754 713 Support ring 2
EnglischBem:
DeutschBem:
DeutschDesc: Stьtzring
InternBDB:
InternKon:
SerienBem:
Zwhead_Deu:
Zwhead_Eng:
? 006 740 98 O-ring 2
EnglischBem:
DeutschBem:
DeutschDesc: O-Ring
InternBDB:
InternKon:
SerienBem:
Zwhead_Deu:
Zwhead_Eng:
? 754 714 Spring 2
EnglischBem:
DeutschBem:
DeutschDesc: Feder
InternBDB:
InternKon:
SerienBem:
Zwhead_Deu:
Zwhead_Eng:
? 754 715 Spring 2
EnglischBem:
DeutschBem:
DeutschDesc: Feder
InternBDB:
InternKon:
SerienBem:
Zwhead_Deu:
Zwhead_Eng:
? 754 716 Spring plate 2
EnglischBem:
DeutschBem:
DeutschDesc: Federteller
InternBDB:
InternKon:
SerienBem:
Zwhead_Deu:
Zwhead_Eng:
? Piston 2
EnglischBem:
DeutschBem:
DeutschDesc: Kolben
InternBDB:
InternKon:
SerienBem:
Zwhead_Deu:
Zwhead_Eng:
? Bush 2
EnglischBem:
DeutschBem:
DeutschDesc: Buchse
InternBDB:
InternKon:
SerienBem:
Zwhead_Deu:
Zwhead_Eng:
? 000 193 98 O-ring 2
EnglischBem:
DeutschBem:
DeutschDesc: O-Ring
InternBDB:
InternKon:
SerienBem:
Zwhead_Deu:
Zwhead_Eng:
? 754 711 Plug 2
EnglischBem:
DeutschBem:
DeutschDesc: VerschluЯschraube
InternBDB:
InternKon:
SerienBem:
Zwhead_Deu:
Zwhead_Eng:
? 505 047 98 O-ring 2
EnglischBem:
DeutschBem:
DeutschDesc: O-Ring
InternBDB:
InternKon:
SerienBem:
Zwhead_Deu:
Zwhead_Eng:
? 754 717 Spring 2
EnglischBem:
DeutschBem:
DeutschDesc: Feder
InternBDB:
InternKon:
SerienBem:
Zwhead_Deu:
Zwhead_Eng:
? 754 718 Taper 2
EnglischBem:
DeutschBem:
DeutschDesc: Kegel
InternBDB:
InternKon:
SerienBem:
Zwhead_Deu:
Zwhead_Eng:
? 767 028 73 Plug assy. 2
EnglischBem:
DeutschBem:
DeutschDesc: Rьckschlagventil kpl.
InternBDB:
InternKon:
SerienBem:
Zwhead_Deu:
Zwhead_Eng:
? 767 029 73 Plug with O-ring 2
EnglischBem:
DeutschBem:
DeutschDesc: VerschluЯschraube mit O-Ring
InternBDB:
InternKon:
SerienBem:
Zwhead_Deu:
Zwhead_Eng:
? 501 275 98 O-ring 2
EnglischBem:
DeutschBem:
DeutschDesc: O-Ring
InternBDB:
InternKon:
SerienBem:
Zwhead_Deu:
Zwhead_Eng:
? 767 030 73 Plug with O-ring 4
EnglischBem:
DeutschBem:
DeutschDesc: VerschluЯschraube mit O-Ring
InternBDB:
InternKon:
SerienBem:
Zwhead_Deu:
Zwhead_Eng:
? 500 582 98 O-ring 2
EnglischBem:
DeutschBem:
DeutschDesc: O-Ring
InternBDB:
InternKon:
SerienBem:
Zwhead_Deu:
Zwhead_Eng:
? 767 031 73 Plug 2
EnglischBem:
DeutschBem:
DeutschDesc: VerschluЯschraube
InternBDB:
InternKon:
SerienBem:
Zwhead_Deu:
Zwhead_Eng:
? 754 719 Seal kit, assy. fig-nos: 07,08,14,16,21,23 A/R
EnglischBem:
DeutschBem:
DeutschDesc: Dichtsatz, kpl. Bild-Nr. 07,08,14,16,21,23
InternBDB:
InternKon:
SerienBem:
Zwhead_Deu:
Zwhead_Eng:

Excavators Mining Komatsu / PC8000-6E S/N 12080(G12080) / Travelling Gear Brake Valve(090-0415a : 090-0415a)
?
?
?
?
?
?
?
?
?
?
?
?
?
?
?
?
?
?
?
?
?
?
?
?
?
?