| Номер на схеме | Каталожный номер | Название | Количество | Детали | |||
|---|---|---|---|---|---|---|---|
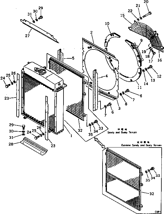
| ? | (130-03-00400) | RADIATOR ASS'Y | 1 | SN: 80001- KIT-FLAG: _- SERIALNO: 80001- |
|||
| ? | 130-03-71270 | SHROUD,UPPER | 1 | SN: 80001- KIT-FLAG: _- SERIALNO: 80001- |
|||
| ? | 130-03-71360 | SHROUD,LOWER | 1 | SN: 80001- KIT-FLAG: _- SERIALNO: 80001- |
|||
| ? | 130-03-71280 | COVER,L.H. | 1 | SN: 80001- KIT-FLAG: _- SERIALNO: 80001- |
|||
| ? | 130-03-71290 | COVER,R.H. | 1 | SN: 80001- KIT-FLAG: _- SERIALNO: 80001- |
|||
| ? | 01010-51025 | BOLT | 8 | SN: 80001- KIT-FLAG: _- SERIALNO: 80001- |
|||
| ? | 01602-21030 | WASHER,SPRING | 8 | SN: 80001- KIT-FLAG: _- SERIALNO: 80001- |
|||
| ? | 01643-31032 | WASHER | 4 | SN: 80001- KIT-FLAG: _- SERIALNO: 80001- |
|||
| ? | 130-03-71310 | COVER | 1 | SN: 80001- KIT-FLAG: _- SERIALNO: 80001- |
|||
| ? | 130-03-71320 | COVER | 1 | SN: 80001- KIT-FLAG: _- SERIALNO: 80001- |
|||
| ? | 130-03-71330 | COVER,LOWER | 1 | SN: 80001- KIT-FLAG: _- SERIALNO: 80001- |
|||
| ? | 01010-51030 | BOLT | 6 | SN: 80001- KIT-FLAG: _- SERIALNO: 80001- |
|||
| ? | 01602-21030 | WASHER,SPRING | 6 | SN: 80001- KIT-FLAG: _- SERIALNO: 80001- |
|||
| ? | 01643-31032 | WASHER | 6 | SN: 80001- KIT-FLAG: _- SERIALNO: 80001- |
|||
| ? | 130-03-71340 | GUARD,FAN | 1 | SN: 80001- KIT-FLAG: _- SERIALNO: 80001- |
|||
| ? | 130-03-71350 | GUARD,FAN | 1 | SN: 80001- KIT-FLAG: _- SERIALNO: 80001- |
|||
| ? | 01010-51025 | BOLT | 1 | SN: 80001- KIT-FLAG: _- SERIALNO: 80001- |
|||
| ? | 01602-21030 | WASHER,SPRING | 1 | SN: 80001- KIT-FLAG: _- SERIALNO: 80001- |
|||
| ? | 01643-31032 | WASHER | 1 | SN: 80001- KIT-FLAG: _- SERIALNO: 80001- |
|||
| ? | 01011-51005 | BOLT | 6 | SN: 80001- KIT-FLAG: _- SERIALNO: 80001- |
|||
| ? | 01602-21030 | WASHER,SPRING | 6 | SN: 80001- KIT-FLAG: _- SERIALNO: 80001- |
|||
| ? | 01643-31032 | WASHER | 6 | SN: 80001- KIT-FLAG: _- SERIALNO: 80001- |
|||
| ? | 130-03-71241 | PLATE | 2 | SN: 80001- KIT-FLAG: _- SERIALNO: 80001- |
|||
| ? | 01010-51025 | BOLT | 8 | SN: 80001- KIT-FLAG: _- SERIALNO: 80001- |
|||
| ? | 01602-21030 | WASHER,SPRING | 8 | SN: 80001- KIT-FLAG: _- SERIALNO: 80001- |
|||
| ? | 01643-31032 | WASHER | 8 | SN: 80001- KIT-FLAG: _- SERIALNO: 80001- |
|||
| ? | 130-03-71230 | COVER,UPPER | 1 | SN: 80001- KIT-FLAG: _- SERIALNO: 80001- |
|||
| ? | 130-03-71251 | COVER,LOWER | 1 | SN: 80001- KIT-FLAG: _- SERIALNO: 80001- |
|||
| ? | 01010-51025 | BOLT | 4 | SN: 80001- KIT-FLAG: _- SERIALNO: 80001- |
|||
| ? | 01602-21030 | WASHER,SPRING | 4 | SN: 80001- KIT-FLAG: _- SERIALNO: 80001- |
|||
| ? | 01643-31032 | WASHER | 4 | SN: 80001- KIT-FLAG: _- SERIALNO: 80001- |
|||
| ? | 134-03-21190 | GRID,(SANDY AND DUSTY SPEC.) | 1 | SN: 80001- KIT-FLAG: _- SERIALNO: 80001- |
|||
| ? | 134-03-21610 | GRID,(EXTREME SANDY DUSTY SPEC.) | 1 | SN: 80001- KIT-FLAG: _- SERIALNO: 80001- |
|||
| ? | 01010-51025 | BOLT | 6 | SN: 80001- KIT-FLAG: _- SERIALNO: 80001- |
|||
| ? | 01602-21030 | WASHER,SPRING | 6 | SN: 80001- KIT-FLAG: _- SERIALNO: 80001- |
|||
| ? | 01643-31032 | WASHER | 6 | SN: 80001- KIT-FLAG: _- SERIALNO: 80001- |
