k-part
Наименование Страница Код страницы
Hydr.-Motor 090-0563 090-0563
Slew Gear 090-0913 090-0913

Номер на схеме Каталожный номер Название Количество Детали
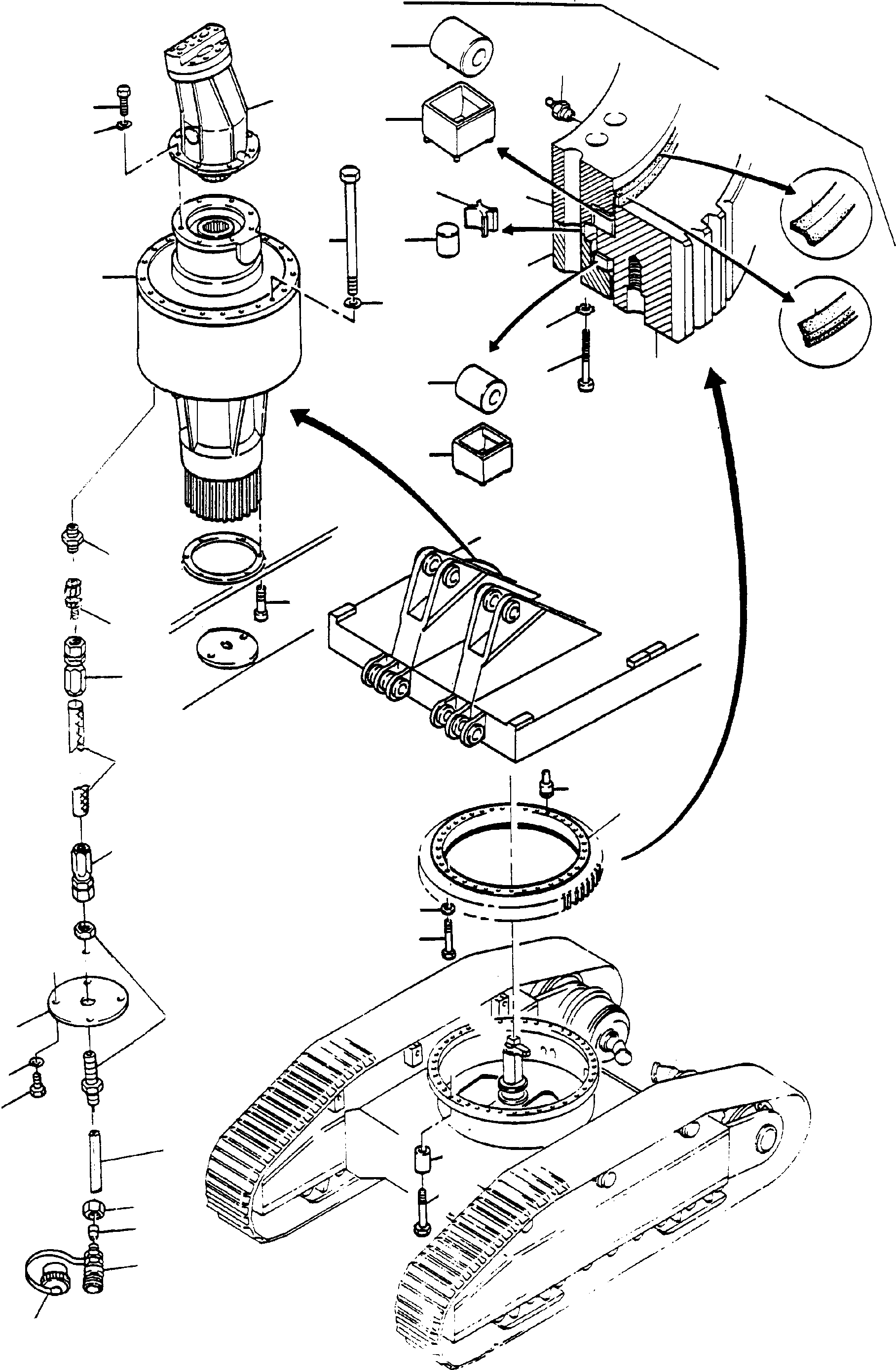
? 445 942 40 Swing ring 1
EnglischBem:
DeutschBem:
DeutschDesc: Rollendrehverbindung
InternBDB:
InternKon: 482 500 40 / 16
SerienBem:
Zwhead_Deu:
Zwhead_Eng:
? 445 943 40 Bearing race No field repair item 1
EnglischBem:
DeutschBem:
DeutschDesc: Nasenring Diese Teile kцnnen nur bei Werkstattreparatur verwende
InternBDB: TL 343 472 40 beachten
InternKon: 445 942 40 / 1
SerienBem:
Zwhead_Deu:
Zwhead_Eng:
? 445 945 40 Bearing race No field repair item 1
EnglischBem:
DeutschBem:
DeutschDesc: Tragring Diese Teile kцnnen nur bei Werkstattreparatur verwendet
InternBDB: TL 343 472 40 beachten
InternKon: 445 942 40 / 2
SerienBem:
Zwhead_Deu:
Zwhead_Eng:
? 445 947 40 Retaining ring No field repair item 1
EnglischBem:
DeutschBem:
DeutschDesc: Haltering Diese Teile kцnnen nur bei Werkstattreparatur verwende
InternBDB: TL 343 472 40 beachten
InternKon: 445 942 40 / 3
SerienBem:
Zwhead_Deu:
Zwhead_Eng:
? 506 649 98 Roller No field repair item 167
EnglischBem:
DeutschBem:
DeutschDesc: Rolle Diese Teile kцnnen nur bei Werkstattreparatur verwendet we
InternBDB: ZRO 45x45 341 939 40
InternKon: 445 942 40 / 4
SerienBem:
Zwhead_Deu:
Zwhead_Eng:
? 224 634 40 Roller No field repair item 227
EnglischBem:
DeutschBem:
DeutschDesc: Rolle Diese Teile kцnnen nur bei Werkstattreparatur verwendet we
InternBDB: ZRO 32x32 341 939 40
InternKon: 445 942 40 / 5
SerienBem:
Zwhead_Deu:
Zwhead_Eng:
? 224 635 40 Roller No field repair item 278
EnglischBem:
DeutschBem:
DeutschDesc: Rolle Diese Teile kцnnen nur bei Werkstattreparatur verwendet we
InternBDB: ZRO 25x25 341 939 40
InternKon: 445 942 40 / 6
SerienBem:
Zwhead_Deu:
Zwhead_Eng:
? 445 959 40 Cage No field repair item 167
EnglischBem:
DeutschBem:
DeutschDesc: Kдfig Diese Teile kцnnen nur bei Werkstattreparatur verwendet we
InternBDB: NG 45 / 9,5 Orange
InternKon: 445 942 40 / 7
SerienBem:
Zwhead_Deu:
Zwhead_Eng:
? 445 999 40 Cage No field repair item 227
EnglischBem:
DeutschBem:
DeutschDesc: Kдfig Diese Teile kцnnen nur bei Werkstattreparatur verwendet we
InternBDB: NG 32 / 4,3 Natur
InternKon: 445 942 40 / 8
SerienBem:
Zwhead_Deu:
Zwhead_Eng:
? 246 217 40 Extension 278
EnglischBem:
DeutschBem:
DeutschDesc: Zwischenstьck
InternBDB:
InternKon: 445 942 40 / 9
SerienBem:
Zwhead_Deu:
Zwhead_Eng:
? 319 292 99 Bolt 16
EnglischBem:
DeutschBem:
DeutschDesc: Schraube
InternBDB: M16x90 /912
InternKon: 445 942 40 / 10
SerienBem:
Zwhead_Deu:
Zwhead_Eng:
? 500 515 98 Disc 16
EnglischBem:
DeutschBem:
DeutschDesc: Scheibe
InternBDB: A 16,5
InternKon: 445 942 40 / 11
SerienBem:
Zwhead_Deu:
Zwhead_Eng:
? 224 639 40 Lip type seal NG 25 Bulk ware, state length required A/R
EnglischBem:
DeutschBem:
DeutschDesc: Lippendichtung NG 25 Meterware, bei Bestellung Lдnge angeben
InternBDB: n. Zg.
InternKon: 445 942 40 / 13
SerienBem:
Zwhead_Deu:
Zwhead_Eng:
? 246 209 40 Lip type seal NG 20 Bulk ware, state length required A/R
EnglischBem:
DeutschBem:
DeutschDesc: Lippendichtung NG 20 Meterware, bei Bestellung Lдnge angeben
InternBDB: n. Zg.
InternKon: 445 942 40 / 14
SerienBem:
Zwhead_Deu:
Zwhead_Eng:
? 004 860 98 Grease nipple 32
EnglischBem:
DeutschBem:
DeutschDesc: Schmiernippel
InternBDB: AR 1/4 011 207 99
InternKon: 445 942 40 / 15
SerienBem:
Zwhead_Deu:
Zwhead_Eng:
? 506 720 98 Bolt 96
EnglischBem:
DeutschBem:
DeutschDesc: Schraube
InternBDB: M30x290 10.9 341 920 40
InternKon: 482 500 40 / 28
SerienBem:
Zwhead_Deu:
Zwhead_Eng:
? 255 057 40 Washer 96
EnglischBem:
DeutschBem:
DeutschDesc: Scheibe
InternBDB: 31 /6916
InternKon: 482 500 40 / 29
SerienBem:
Zwhead_Deu:
Zwhead_Eng:
? 129 391 40 Dowel pin 2
EnglischBem:
DeutschBem:
DeutschDesc: PaЯstift
InternBDB:
InternKon: 482 500 40 / 30
SerienBem:
Zwhead_Deu:
Zwhead_Eng:
? 180 479 40 Bolt 96
EnglischBem:
DeutschBem:
DeutschDesc: Schraube
InternBDB: M30x230 /931 10.9
InternKon: 488 250 40 / 4
SerienBem:
Zwhead_Deu:
Zwhead_Eng:
? 506 722 98 Bolt 24
EnglischBem:
DeutschBem:
DeutschDesc: Schraube
InternBDB: M24x440 /931 10.9
InternKon: 482 500 40 / 33
SerienBem:
Zwhead_Deu:
Zwhead_Eng:
? 316 213 99 Washer 24
EnglischBem:
DeutschBem:
DeutschDesc: Scheibe
InternBDB: 25 /6916
InternKon: 482 500 40 / 34
SerienBem:
Zwhead_Deu:
Zwhead_Eng:
? 307 582 99 Bolt 8
EnglischBem:
DeutschBem:
DeutschDesc: Schraube
InternBDB: M16x50 /933 10.9
InternKon: 482 500 40 / 70
SerienBem:
Zwhead_Deu:
Zwhead_Eng:
? 316 211 99 Washer 8
EnglischBem:
DeutschBem:
DeutschDesc: Scheibe
InternBDB: 17 /6916
InternKon: 482 500 40 / 71
SerienBem:
Zwhead_Deu:
Zwhead_Eng:
? 319 326 99 Bolt 8
EnglischBem:
DeutschBem:
DeutschDesc: Schraube
InternBDB: M20x110 /912 10.9
InternKon: 482 500 40 / 72
SerienBem:
Zwhead_Deu:
Zwhead_Eng:
? 514 630 40 Cover 1
EnglischBem:
DeutschBem:
DeutschDesc: Deckel
InternBDB:
InternKon: 482 500 40 / 35
SerienBem:
Zwhead_Deu:
Zwhead_Eng:
? 307 804 99 Bolt 2
EnglischBem:
DeutschBem:
DeutschDesc: Schraube
InternBDB: M12x30 /933
InternKon: 482 500 40 / 58
SerienBem:
Zwhead_Deu:
Zwhead_Eng:
? 346 498 99 Lock washer 2
EnglischBem:
DeutschBem:
DeutschDesc: Federring
InternBDB: B 12 /128
InternKon:
SerienBem:
Zwhead_Deu:
Zwhead_Eng:
? 488 203 40 Resilient sleeve 96
EnglischBem:
DeutschBem:
DeutschDesc: Dehnhьlse
InternBDB:
InternKon:
SerienBem:
Zwhead_Deu:
Zwhead_Eng:
? 374 415 99 Union 1
EnglischBem:
DeutschBem:
DeutschDesc: Verschraubung
InternBDB: L 38 B-M/ 3901
InternKon: 482 500 40 / 62
SerienBem:
Zwhead_Deu:
Zwhead_Eng:
? 372 932 99 Union 1
EnglischBem:
DeutschBem:
DeutschDesc: Verschraubung
InternBDB: KOR 42/22-PL
InternKon: 482 500 40 / 63
SerienBem:
Zwhead_Deu:
Zwhead_Eng:
? 270 082 40 Socket 2
EnglischBem:
DeutschBem:
DeutschDesc: Fassung
InternBDB: Aeroquip G 1212-6
InternKon: 482 500 40 / 60
SerienBem:
Zwhead_Deu:
Zwhead_Eng:
? 324 633 40 Nipple 2
EnglischBem:
DeutschBem:
DeutschDesc: Nippel
InternBDB: Aeroquip 11.002-22-16
InternKon: 482 500 40 / 61
SerienBem:
Zwhead_Deu:
Zwhead_Eng:
? 256 583 40 Hose NW 20 Bulk ware, state length required A/R
EnglischBem:
DeutschBem:
DeutschDesc: Schlauch NW 20 Meterware, bei Bestellung Lдnge angeben
InternBDB: Aeroquip 2651-16
InternKon: 482 500 40 / 59
SerienBem:
Zwhead_Deu:
Zwhead_Eng:
? 372 592 99 Union 1
EnglischBem:
DeutschBem:
DeutschDesc: Verschraubung
InternBDB: RL 22 /2353
InternKon: 482 500 40 / 64
SerienBem:
Zwhead_Deu:
Zwhead_Eng:
? 215 495 99 Pipe Ш 22 Bulk ware, state length required A/R
EnglischBem:
DeutschBem:
DeutschDesc: Rohr Ш 22 Meterware, bei Bestellung Lдnge angeben
InternBDB: 22x1,5 /2391
InternKon: 482 500 40 / 65
SerienBem:
Zwhead_Deu:
Zwhead_Eng:
? 371 277 99 Union nut 1
EnglischBem:
DeutschBem:
DeutschDesc: Ьberwurfmutter
InternBDB: AL 22 /3870
InternKon: 482 500 40 / 66
SerienBem:
Zwhead_Deu:
Zwhead_Eng:
? 371 244 99 Olive 1
EnglischBem:
DeutschBem:
DeutschDesc: Schneidring
InternBDB: L 22 /3861
InternKon: 482 500 40 / 67
SerienBem:
Zwhead_Deu:
Zwhead_Eng:
? 081 495 40 Quick disconnect coupling 1
EnglischBem:
DeutschBem:
DeutschDesc: SchnellverschluЯkupplung
InternBDB: 616511620022
InternKon: 482 500 40 / 68
SerienBem:
Zwhead_Deu:
Zwhead_Eng:
? 081 496 40 Protection cap 1
EnglischBem:
DeutschBem:
DeutschDesc: Schutzkappe
InternBDB: 636591620051
InternKon: 482 500 40 / 69
SerienBem:
Zwhead_Deu:
Zwhead_Eng:
? 761 831 73 Slew ring - Mounting kit A/R
EnglischBem:
DeutschBem:
DeutschDesc: RDV-Montagesatz
InternBDB: E-ST
InternKon:
SerienBem:
Zwhead_Deu:
Zwhead_Eng:

Excavators Mining Komatsu / H185E S/N 06099(g06099) / Swing Ring and Slew Gear Box Arr.(585-1100a : 585-1100a)
?
?
?
?
?
?
?
?
?
?
?
?
?
?
?
?
?
?
?
?
?
?
?
?
?
?
?
?
?
?
?
?
?
?
?
?
?
?
?
?
?
?
?
?