| Номер на схеме | Каталожный номер | Название | Количество | Детали | |||
|---|---|---|---|---|---|---|---|
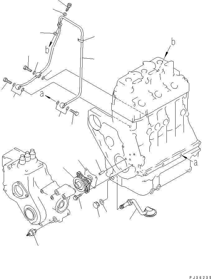
| ? | YM129350-32090 | OIL PUMP ASS'Y | 1 | SN: 18873- KIT-FLAG: _- SERIALNO: 18873- |
|||
| ? | YM121450-32060 | • PIN | 1 | SN: 18873- KIT-FLAG: _- SERIALNO: 18873- |
|||
| ? | YM121450-32021 | PACKING (KIT) | 1 | SN: 18873- KIT-FLAG: _- SERIALNO: 18873- |
|||
| ? | YM26013-060222 | BOLT | 3 | SN: 18873- KIT-FLAG: _- SERIALNO: 18873- |
|||
| ? | YM129350-35090 | PIPE,INLET | 1 | SN: 18873- KIT-FLAG: _- SERIALNO: 18873- |
|||
| ? | YM121550-35100 | NUT,CAP | 1 | SN: 18873- KIT-FLAG: _- SERIALNO: 18873- |
|||
| ? | YM121550-35110 | GASKET | 1 | SN: 18873- KIT-FLAG: _- SERIALNO: 18873- |
|||
| ? | YM129350-39200 | TUBE | 1 | SN: 18873- KIT-FLAG: _- SERIALNO: 18873- |
|||
| ? | YM124160-39140 | BOLT,JOINT | 1 | SN: 18873- KIT-FLAG: _- SERIALNO: 18873- |
|||
| ? | YM23414-100000 | GASKET,RING | 2 | SN: 18873- KIT-FLAG: _- SERIALNO: 18873- |
|||
| ? | YM124550-59820 | BOLT,JOINT | 3 | SN: 18873- KIT-FLAG: _- SERIALNO: 18873- |
|||
| ? | YM23414-080000 | GASKET | 6 | SN: 18873- KIT-FLAG: _- SERIALNO: 18873- |
|||
| ? | YM124450-39240 | CLIP | 1 | SN: 18873- KIT-FLAG: _- SERIALNO: 18873- |
|||
| ? | YM124160-39450 | SWITCH,OIL PRESSURE | 1 | SN: 18873- KIT-FLAG: _- SERIALNO: 18873- |