| Номер на схеме | Каталожный номер | Название | Количество | Детали | |||
|---|---|---|---|---|---|---|---|
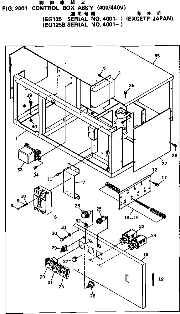
| ? | DY81318-10002 | BOX,CONTROL | 1 | SN: 4001- |
|||
| ? | DY06018-01147 | TRANSFORMER,CURRENT | 2 | SN: 4001- |
|||
| ? | DY00271-04012 | SCREW | 4 | SN: 4001- |
|||
| ? | DY06018-20625 | REGULATOR,AUTOMATIC VOLTAGE | 1 | SN: 4001- |
|||
| ? | DY00271-05012 | SCREW | 4 | SN: 4001- |
|||
| ? | DY06018-04947 | CIRCUIT BREAKER | 1 | SN: 4001- |
|||
| ? | DY81318-18004 | BRACKET,CIRCUIT BREAKER | 1 | SN: 4001- |
|||
| ? | DY00210-04040 | SCREW | 4 | SN: 4001- |
|||
| ? | DY00400-04000 | WASHER,SPRING | 4 | SN: 4001- |
|||
| ? | DY00416-04000 | WASHER | 4 | SN: 4001- |
|||
| ? | DY00271-06016 | SCREW | 4 | SN: 4001- |
|||
| ? | DY81318-61004 | BOARD,CHANGE TERMINAL | 1 | SN: 4001- |
|||
| ? | DY08018-33104 | SCREW,TERMINAL | 3 | SN: 4054- |
|||
| ? | DY08018-33104 | SCREW,TERMINAL | 4 | SN: 4047-4053 |
|||
| ? | DY08018-33104 | SCREW,TERMINAL | 3 | SN: 4027-4046 |
|||
| ? | DY08018-33104 | SCREW,TERMINAL | 4 | SN: 4001-4026 |
|||
| ? | DY00414-12000 | WASHER | 18 | SN: 4054- |
|||
| ? | DY00414-12000 | WASHER | 24 | SN: 4047-4053 |
|||
| ? | DY00414-12000 | WASHER | 18 | SN: 4027-4046 |
|||
| ? | DY00414-12000 | WASHER | 24 | SN: 4001-4046 |
|||
| ? | DY00400-12000 | WASHER,SPRING | 9 | SN: 4054- |
|||
| ? | DY00400-12000 | WASHER,SPRING | 12 | SN: 4047-4053 |
|||
| ? | DY00400-12000 | WASHER,SPRING | 9 | SN: 4027-4046 |
|||
| ? | DY00400-12000 | WASHER,SPRING | 12 | SN: 4001-4026 |
|||
| ? | DY00393-12000 | NUT | 18 | SN: 4054- |
|||
| ? | DY00393-12000 | NUT | 24 | SN: 4047-4053 |
|||
| ? | DY00393-12000 | NUT | 18 | SN: 4027-4046 |
|||
| ? | DY00393-12000 | NUT | 24 | SN: 4001-4026 |
|||
| ? | DY00171-08030 | BOLT | 4 | SN: 4019- |
|||
| ? | DY00171-08025 | BOLT | 4 | SN: 4001-4018 |
|||
| ? | DY81118-21503 | PANEL,CONTROL | 1 | SN: 4001- |
|||
| ? | DY06050-11211 | PIN | 2 | SN: 4001- |
|||
| ? | DY06018-00406 | FREQUENCY METER | 1 | SN: 4001- |
|||
| ? | DY06018-00719 | AMMETER,AC | 1 | SN: 4001- |
|||
| ? | DY06018-01040 | SWITCH,CHANGE OVER ? AMMETER | 1 | SN: 4001- |
|||
| ? | DY06018-00288 | VOLTMETER,AC | 1 | SN: 4001- |
|||
| ? | DY06018-01041 | SWITCH,CHANGE OVER ? VOLTMETER | 1 | SN: 4001- |
|||
| ? | DY06018-10072 | LAMP,PILOT | 1 | SN: 4001- |
|||
| ? | DY06018-10261 | • BULB ? 13W | 1 | SN: 4001- |
|||
| ? | DY06018-40073 | REGULATOR,(VOLTAGE REGULATOR) | 1 | SN: 4001- |
|||
| ? | DY06018-40121 | KNOB | 1 | SN: 4001- |
|||
| ? | DY06018-10161 | LAMP,LIGHT | 1 | SN: 4001- |
|||
| ? | DY06018-30710 | SWITCH,PANEL LIGHT | 1 | SN: 4001- |
|||
| ? | DY08050-01304 | SCREW | 2 | SN: 4001- |
|||
| ? | DY00416-08000 | WASHER | 2 | SN: 4001- |
|||
| ? | DY06050-10710 | RING,SNAP | 2 | SN: 4001- |
|||
| ? | (600-815-1252) | RELAY,EMERGENCY | 1 | SN: 4001- |
|||
| ? | DY00271-06012 | SCREW | 4 | SN: 4001- |
|||
| ? | DY81318-11603 | COVER,CONTROL BOX | 1 | SN: 4001- |
|||
| ? | DY00171-06016 | BOLT | 8 | SN: 4001- |
|||
| ? | DY81318-12004 | PANEL,SIDE ? CONTROL BOX | 2 | SN: 4001- |
|||
| ? | DY00171-06016 | BOLT | 8 | SN: 4001- |
|||
| ? | DY00171-08030 | BOLT | 4 | SN: 4001- |
|||
| ? | DY00300-08000 | NUT | 4 | SN: 4001- |
