| Номер на схеме | Каталожный номер | Название | Количество | Детали | |||
|---|---|---|---|---|---|---|---|
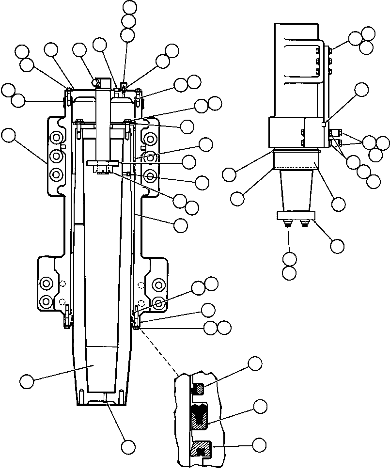
| ? | TZ7656 | FRONT SUSPENSION ASSEMBLY - 14.00" | 1 | ||||
| ? | WA2892 | • PLATE, WARNING | 2 | ||||
| ? | R1073 | • DRIVE SCREW - #6 - 32NC X 3/16" | 8 | ||||
| ? | VN9077 | • CAPSCREW - 3/4" - 10NC X 2 1/4" | 24 | ||||
| ? | WA0362 | • FLAT WASHER - 3/4" | 48 | ||||
| ? | TZ9707 | • CAP, SUSPENSION | 1 | ||||
| ? | TY8879 | • PLUG, VENT | 1 | ||||
| ? | TM9278 | • PROTECTOR | 1 | ||||
| ? | C1602 | • CAPSCREW - 3/8" - 16NC X 1" | 2 | ||||
| ? | C0312 | • LOCKWASHER - 3/8" | 2 | ||||
| ? | PB2194 | • CHARGING VALVE ASSEMBLY | 1 | ||||
| ? | TD7179 | • • CORE | 1 | ||||
| ? | TR9993 | • • CAP | 1 | ||||
| ? | TF1144 | • • O-RING | 1 | ||||
| ? | WA0052 | • • O-RING | 1 | ||||
| ? | VD5076 | • GASKET | 1 | ||||
| ? | WA0106 | • SEAL, O-RING | 4 | ||||
| ? | WA1281 | • RING, BACKUP | 4 | ||||
| ? | VN9105 | • CAPSCREW - 7/8" - 9NC X 3" | 12 | ||||
| ? | WA0363 | • FLAT WASHER - 7/8" | 12 | ||||
| ? | TZ0302 | • BEARING, UPPER | 1 | ||||
| ? | TY8125 | • WASHER, SNUBBER | 1 | ||||
| ? | H2981 | • BALL, STEEL - 3/4" | 2 | ||||
| ? | VW4451 | • NUT, WHEEL | 1 | ||||
| ? | VC2629 | • PIN | 1 | ||||
| ? | TY8453 | • PISTON | 1 | ||||
| ? | TZ0308 | • BEARING | 1 | ||||
| ? | VN9130 | • CAPSCREW - 3/4" - 10NC X 3 3/4" | 24 | ||||
| ? | VM0314 | • PLUG, O-RING | 1 | ||||
| ? | VJ5925 | • OIL, SUSPENSION - STANDARD (5 GALLON CAN) | 5 | ||||
| ? | TY5376 | • HOUSING | 1 | ||||
| ? | PB7978 | • SEAL, ROD BUFFER - 14" | 1 | ||||
| ? | PB7815 | • SEAL, ROD DOUBLE LIP - 14" | 1 | ||||
| ? | WA4832 | • SEAL, WIPER - 14" | 1 | ||||
| ? | TZ0316 | • PLATE | 1 | ||||
| ? | TZ8637 | • PLUG - SENSOR | 1 | ||||
| ? | WA0404 | NUT - 1 1/2" - 6NC | 10 | ||||
| ? | TX9708 | KEY, SHEAR | 1 | ||||
| ? | EB2082 | CAPSCREW - 1 1/2" - 6NC X 12 1/2" | 8 | ||||
| ? | TX9710 | SPACER | 4 | ||||
| ? | TY9252 | BOOT | 1 | ||||
| ? | TY9253 | WIRE, BOOT | 1 | ||||
| ? | WA2955 | CLAMP, HOSE | 2 | ||||
| ? | VN9182 | CAPSCREW - 1 1/2" - 6NC X 6" | 6 | ||||
| ? | WA0368 | FLAT WASHER - 1 1/2" | 24 | ||||
| ? | TY2149 | FLAT WASHER | 12 | ||||
| ? | TY2228 | PLATE, RETAINER | 1 | ||||
| ? | WA4817 | CAPSCREW - 1 1/4" - 12NF X 5" (12 POINT) | 12 | ||||
| ? | (QUANTITIES SHOWN ARE FOR ONE SIDE ONLY) |