| Наименование | Страница | Код страницы |
|---|---|---|
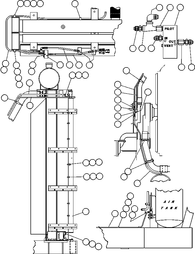
| RADIATOR SHUTTER ASSEMBLY (PB8181) | 042 | 15418 |
| Номер на схеме | Каталожный номер | Название | Количество | Детали | |||
|---|---|---|---|---|---|---|---|
| ? | C1603 | CAPSCREW - 3/8" - 16NC X 1 1/4" | 18 | ||||
| ? | C0312 | LOCKWASHER - 3/8" | 14 | ||||
| ? | WA0720 | FLAT WASHER - 3/8" | 18 | ||||
| ? | C1521 | NUT - 3/8" - 16NC | 6 | ||||
| ? | PB8181 | SHUTTER ASSEMBLY (SEE INDEX) | 1 | 15418 | |||
| ? | WA4649 | CLAMP | 10 | ||||
| ? | VC2195 | WELD STUD - 3/8" - 16NC X 1" | 6 | ||||
| ? | HA3408 | HOSE | 1 | ||||
| ? | HA0690 | HOSE | 1 | ||||
| ? | TD9718 | ADAPTER | 4 | ||||
| ? | DD4242 | TEE | 2 | ||||
| ? | HA2989 | HOSE | 1 | ||||
| ? | TF6925 | CLAMP | 6 | ||||
| ? | VN5634 | TEE | 1 | ||||
| ? | WA4612 | FITTING | 1 | ||||
| ? | TV7032 | FITTING, RESTRICTOR | 2 | ||||
| ? | PB5827 | THERMOSTAT | 1 | ||||
| ? | TG3397 | ADAPTER | 1 | ||||
| ? | VC7403 | CLAMP | 2 | ||||
| ? | C1602 | CAPSCREW - 3/8" - 16NC X 1" | 8 | ||||
| ? | TD9746 | FITTING, ELBOW - 90 DEG | 2 | ||||
| ? | HE5611 | LOCKNUT - 3/8" - 16NC X 1" | 18 | ||||
| ? | TC0124 | FLAT WASHER - 3/8" | 8 | ||||
| ? | VY4902 | ELBOW - 90 DEG | 2 | ||||
| ? | VW0926 | HOSE | 1 | ||||
| ? | HA0652 | HOSE | 1 | ||||
| ? | VN7159 | MACHINE SCREW - #6 - 24NC X 1 1/4" | 2 | ||||
| ? | SC0711 | LOCKWASHER - #6 | 2 | ||||
| ? | PB6757 | VALVE, REACTIONARY CONTROL | 1 |