| Номер на схеме | Каталожный номер | Название | Количество | Детали | |||
|---|---|---|---|---|---|---|---|
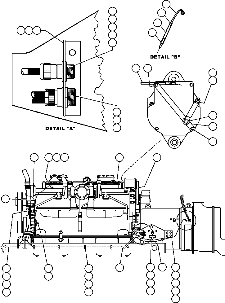
| ? | VE3715 | ENG. JACKET COOLANT THERMO (180 DEG-190 DEG)(FAN CLUTCH) | 1 | ||||
| ? | AK7339 | SENSOR, TEMPERATURE THERMISTER | 1 | ||||
| ? | SF4094 | BUSHING, PIPE | 1 | ||||
| ? | EC7740 | HARNESS, | 1 | ||||
| ? | TS0296 | PICKUP, MAGNETIC | 1 | ||||
| ? | DA5420 | CAPSCREW, SOCKET HEAD | 2 | ||||
| ? | ED0928 | BUS BAR | 1 | ||||
| ? | ED0931 | SLEEVE, SHRINK | 1 | ||||
| ? | ED0929 | BRACKET | 1 | ||||
| ? | TA7409 | INSULATOR, STAND-OFF | 1 | ||||
| ? | TZ7387 | WIRE | 1 | ||||
| ? | VH9969 | WELD STUD - 3/8" - 16NC X 3/4" | 1 | ||||
| ? | TR4436 | FLAT WASHER - 3/8" | 7 | ||||
| ? | TC1231 | LOCKWASHER - 3/8" | 7 | ||||
| ? | TC1233 | NUT - 3/8" - 16NC | 7 | ||||
| ? | 720462 | CLAMP, VINYL | 2 | ||||
| ? | VN9908 | CLAMP, VINYL | 5 | ||||
| ? | LW00351 | LOOM - 63" | 1 | ||||
| ? | LW30651 | TAPE - #33 - 18" | 1 | ||||
| ? | LW00551 | LOOM - 12" | 1 | ||||
| ? | EF0366 | HARNESS | 1 | ||||
| ? | EC4866 | BRACKET | 1 | ||||
| ? | TC1234 | CAPSCREW - 3/8" - 16NC X 3/4" | 2 | ||||
| ? | C0312 | LOCKWASHER - 3/8" | 2 | ||||
| ? | TY8235 | CONNECTOR | 1 | ||||
| ? | TC4830 | MACHINE SCREW - #6 - 32NC X 5/8" | 2 | ||||
| ? | DF4944 | LOCKWASHER - #6 | 2 | ||||
| ? | DD2468 | NUT - #6 | 2 | ||||
| ? | LW42651 | SLEEVE, SHRINK - 2 1/4" EACH | 3 | ||||
| ? | PB5373 | LOCKWASHER | 1 | ||||
| ? | PB5371 | NUT | 1 | ||||
| ? | YA2648 | HARNESS, DDEC INTERFACE | 1 | ||||
| ? | WA4878 | CLAMP, VINYL | 2 | ||||
| ? | VC6503 | FLAT WASHER - 7/16" | 4 | ||||
| ? | TD0795 | LOCKWASHER - 7/16" | 3 | ||||
| ? | TL7217 | CAPSCREW - 7/16" - 14NC X 3/4" | 1 | ||||
| ? | PB6417 | SENDER, COOLANT TEMP. | 1 | ||||
| ? | NOTE: NS = NOT SHOWN | ||||||
| ? | ED5232 | HARNESS, FAN CLUTCH | 1 |