| Наименование | Страница | Код страницы |
|---|---|---|
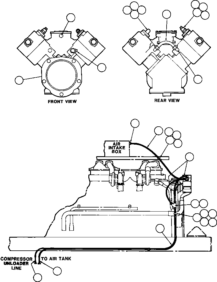
| AIR COMPRESSOR ASSEMBLY | 300 | 30345 |
| Номер на схеме | Каталожный номер | Название | Количество | Детали | |||
|---|---|---|---|---|---|---|---|
| ? | HA6210 | HOSE | 1 | ||||
| ? | HA3395 | HOSE | 2 | ||||
| ? | HA4778 | HOSE | 1 | ||||
| ? | PB5894 | HOSE, AIR | 1 | ||||
| ? | TF8866 | "Y" BRANCH | 1 | ||||
| ? | WB0473 | ADAPTER, STRAIGHT | 3 | ||||
| ? | C1538 | LOCKWASHER - 5/16" | 6 | ||||
| ? | H8620 | CAPSCREW - 5/16" - 18NC X 1 1/4" | 6 | ||||
| ? | TA2570 | TUBE | 1 | ||||
| ? | TG9242 | CONNECTOR | 1 | ||||
| ? | TH3394 | FLANGE, AIR COMPRESSOR | 2 | ||||
| ? | WB0255 | FITTING, ELBOW - 90 DEG | 2 | ||||
| ? | WB0270 | FITTING, ELBOW - 90 DEG | 1 | ||||
| ? | WB0256 | FITTING, ELBOW - 90 DEG | 1 | ||||
| ? | WB0470 | FITTING, STRAIGHT | 1 | ||||
| ? | CD8419 | CLAMP | 2 | ||||
| ? | HA5712 | HOSE | 2 | ||||
| ? | TR9441 | CLAMP | 2 | ||||
| ? | TG2568 | CLAMP | 1 | ||||
| ? | VN9698 | JAM NUT - 5/16" - 18NC | 2 | ||||
| ? | VJ0371 | COMPRESSOR, V-4 AIR (SEE FIG 30345) | 1 | 30345 |