| Номер на схеме | Каталожный номер | Название | Количество | Детали | |||
|---|---|---|---|---|---|---|---|
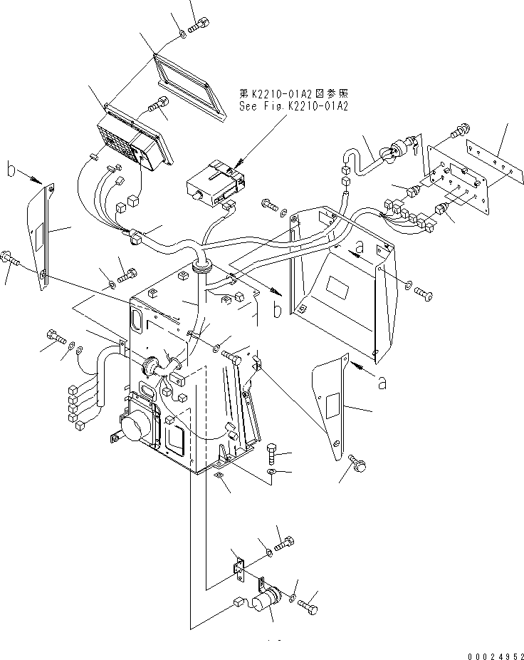
| ? | 195-54-72211 | COVER,L.H. | 1 | SN: 25001- KIT-FLAG: _- SERIALNO: 25001- |
|||
| ? | 01435-00814 | BOLT | 2 | SN: 25001- KIT-FLAG: _- SERIALNO: 25001- |
|||
| ? | 195-54-72221 | COVER,R.H. | 1 | SN: 25001- KIT-FLAG: _- SERIALNO: 25001- |
|||
| ? | 01435-00814 | BOLT | 2 | SN: 25001- KIT-FLAG: _- SERIALNO: 25001- |
|||
| ? | 17M-54-44430 | PANEL | 1 | SN: 25001- KIT-FLAG: _- SERIALNO: 25001- |
|||
| ? | 7831-62-4002 | MONITOR PANEL | 1 | SN: 26030- KIT-FLAG: _- SERIALNO: 26030- |
|||
| ? | □7831-62-4001 | MONITOR | 1 | SN: 25240-26029 KIT-FLAG: _- SERIALNO: 25240-26029 |
|||
| ? | □7831-62-4000 | MONITOR | 1 | SN: 25001-25239 KIT-FLAG: _- SERIALNO: 25001-25239 |
|||
| ? | 195-54-69671 | COVER | 1 | SN: 25001- KIT-FLAG: _- SERIALNO: 25001- |
|||
| ? | 01252-80630 | BOLT | 6 | SN: 25001- KIT-FLAG: _- SERIALNO: 25001- |
|||
| ? | 01643-70623 | WASHER | 4 | SN: 25001- KIT-FLAG: _- SERIALNO: 25001- |
|||
| ? | 198-06-55250 | WIRING HARNESS | 1 | SN: 25001- KIT-FLAG: _- SERIALNO: 25001- |
|||
| ? | 14X-06-12160 | SWITCH | 3 | SN: 25001- KIT-FLAG: _- SERIALNO: 25001- |
|||
| ? | 7824-85-4810 | SWITCH | 2 | SN: 25001- KIT-FLAG: _- SERIALNO: 25001- |
|||
| ? | 7824-84-2890 | • KNOB | 1 | SN: 25001- KIT-FLAG: _- SERIALNO: 25001- |
|||
| ? | 198-06-56570 | BUZZER | 1 | SN: 25001- KIT-FLAG: _- SERIALNO: 25001- |
|||
| ? | 01010-80616 | BOLT | 2 | SN: 25001- KIT-FLAG: _- SERIALNO: 25001- |
|||
| ? | 01643-30623 | WASHER | 2 | SN: 25001- KIT-FLAG: _- SERIALNO: 25001- |
|||
| ? | 198-06-52351 | BRACKET | 1 | SN: 25001- KIT-FLAG: _- SERIALNO: 25001- |
|||
| ? | 01010-81225 | BOLT | 1 | SN: 25001- KIT-FLAG: _- SERIALNO: 25001- |
|||
| ? | 01643-31232 | WASHER | 1 | SN: 25001- KIT-FLAG: _- SERIALNO: 25001- |
|||
| ? | 17M-06-41181 | WIRING HARNESS | 1 | SN: 25001- KIT-FLAG: _- SERIALNO: 25001- |
|||
| ? | 08051-21507 | • SWITCH,SERVICE | 1 | SN: 25001- KIT-FLAG: _- SERIALNO: 25001- |
|||
| ? | 08504-10000 | • CAP | 1 | SN: 25001- KIT-FLAG: _- SERIALNO: 25001- |
|||
| ? | 19M-06-31720 | • RESISTOR | 1 | SN: 25001- KIT-FLAG: _- SERIALNO: 25001- |
|||
| ? | 04434-52711 | CLIP | 1 | SN: 25001- KIT-FLAG: _- SERIALNO: 25001- |
|||
| ? | 01010-81020 | BOLT | 1 | SN: 25001- KIT-FLAG: _- SERIALNO: 25001- |
|||
| ? | 01643-31032 | WASHER | 1 | SN: 25001- KIT-FLAG: _- SERIALNO: 25001- |
|||
| ? | 08034-00414 | BAND | 3 | SN: 25001- KIT-FLAG: _- SERIALNO: 25001- |
|||
| ? | 01010-81225 | BOLT | 1 | SN: 25001- KIT-FLAG: _- SERIALNO: 25001- |
|||
| ? | 01643-31232 | WASHER | 1 | SN: 25001- KIT-FLAG: _- SERIALNO: 25001- |
|||
| ? | 155-911-1790 | CLIP | 1 | SN: 25005- KIT-FLAG: _- SERIALNO: 25005- |
|||
| ? | 195-01-12520 | CLIP | 1 | SN: 25001-25004 KIT-FLAG: _- SERIALNO: 25001-25004 |
|||
| ? | 01010-81225 | BOLT | 1 | SN: 25001- KIT-FLAG: _- SERIALNO: 25001- |
|||
| ? | 01643-31232 | WASHER | 1 | SN: 25001- KIT-FLAG: _- SERIALNO: 25001- |
|||
| ? | 01010-81235 | BOLT | 6 | SN: 25001- KIT-FLAG: _- SERIALNO: 25001- |
|||
| ? | 01643-31232 | WASHER | 6 | SN: 25001- KIT-FLAG: _- SERIALNO: 25001- |
|||
| ? | 17M-54-48110 | SHIM, 0.8MM | 2 | SN: 25001- KIT-FLAG: _- SERIALNO: 25001- |