| Номер на схеме | Каталожный номер | Название | Количество | Детали | |||
|---|---|---|---|---|---|---|---|
| ? | (17A-15-31000) | TRANSMISSION ASS'Y | 1 | SN: 76001- |
|||
| ? | THIS ASSEMBLY CONSISTS OF ALL PARTS SHOWN IN FIGS.F2320-51A0 TO F2320-61A0A. | ||||||
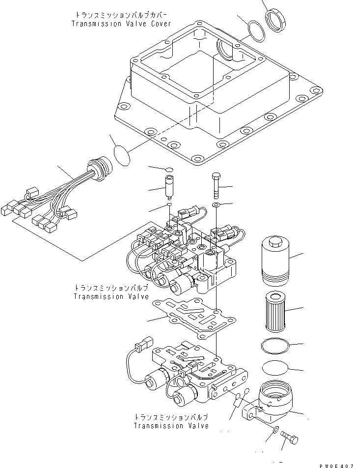
| ? | 17M-15-45501 | • T/M VALVE ASS'Y | 1 | SN: 76001- |
|||
| ? | THIS ASSEMBLY CONSISTS OF ALL PARTS SHOWN IN FIGS.F2320-57A0A TO F2320-59A0A . | ||||||
| ? | 195-15-75530 | • • GASKET (K8) | 1 | SN: 76001- |
|||
| ? | 01010-81055 | • • BOLT | 2 | SN: 76001- |
|||
| ? | 01643-31032 | • • WASHER | 2 | SN: 76001- |
|||
| ? | 17M-15-45540 | • • PLUG | 5 | SN: 76001- |
|||
| ? | 07000-72012 | • • O-RING (K8) | 5 | SN: 76001- |
|||
| ? | 07002-11023 | • • O-RING (K8) | 5 | SN: 76001- |
|||
| ? | 195-15-75550 | • • FILTER ASS'Y | 1 | SN: 76001- |
|||
| ? | 195-15-75560 | • • • ELEMENT | 1 | SN: 76001- |
|||
| ? | 209-38-12480 | • • • O-RING (K8) | 1 | SN: 76001- |
|||
| ? | 209-38-12490 | • • • RING,BACK-UP (K8) | 1 | SN: 76001- |
|||
| ? | 07000-72014 | • • O-RING (K8) | 2 | SN: 76001- |
|||
| ? | 01010-81035 | • • BOLT | 2 | SN: 76001- |
|||
| ? | 01643-31032 | • • WASHER | 2 | SN: 76001- |
|||
| ? | 195-15-77200 | • • HARNESS | 1 | SN: 76001- |
|||
| ? | 195-15-75740 | • • • O-RING (K8) | 1 | SN: 76001- |
|||
| ? | 08191-50809 | • • • WASHER¤ LOCK | 1 | SN: 76001- |
|||
| ? | 08191-50808 | • • • NUT | 1 | SN: 76001- |