| Номер на схеме | Каталожный номер | Название | Количество | Детали | |||
|---|---|---|---|---|---|---|---|
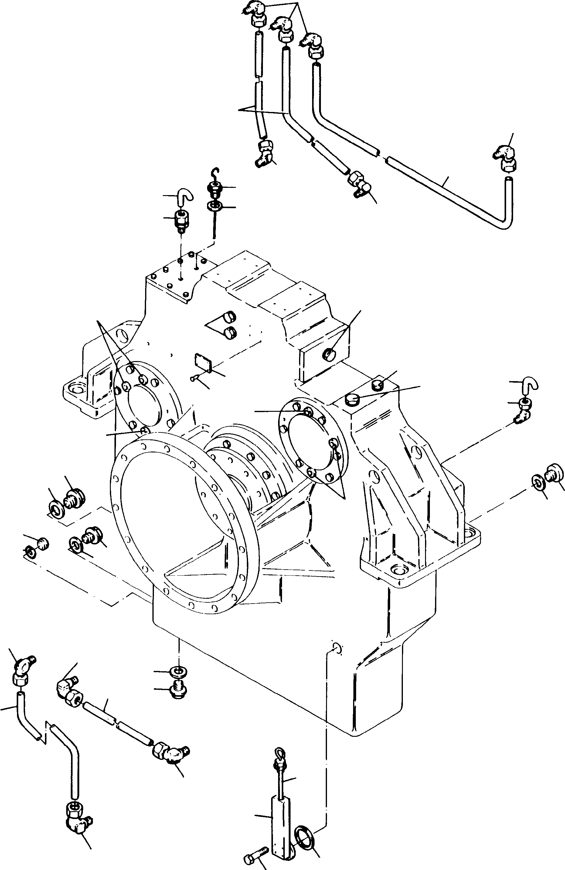
| ? | 654 784 40 | Pump distributor gear 710 724 73 | 1 | EnglischBem: DeutschBem: DeutschDesc: Pumpenverteilergetriebe AT-Nr. 710 724 73 InternBDB: InternKon: SerienBem: Zwhead_Deu: Zwhead_Eng: |
|||
| ? | Housing | 1 | EnglischBem: DeutschBem: DeutschDesc: Gehдuse InternBDB: InternKon: SerienBem: Zwhead_Deu: Zwhead_Eng: |
||||
| ? | 767 773 73 | Drive shaft unit,assy. Fig.-no.02,03,09,12,29-33, 39,48,95,135,136 | 1 | EnglischBem: DeutschBem: DeutschDesc: Antriebswelleneinheit,kpl.
Bild-Nr.02,03,09,12,29-33,
39,48,95,1 InternBDB: InternKon: SerienBem: Zwhead_Deu: Zwhead_Eng: |
|||
| ? | 767 779 73 | Joint shaft flange | 1 | EnglischBem: DeutschBem: DeutschDesc: Gelenkwellenflansch InternBDB: InternKon: SerienBem: Zwhead_Deu: Zwhead_Eng: |
|||
| ? | 806 758 73 | Drive gear;z=46 | 1 | EnglischBem: DeutschBem: DeutschDesc: Antriebsstirnrad;z=46 InternBDB: InternKon: SerienBem: Zwhead_Deu: Zwhead_Eng: |
|||
| ? | 767 780 73 | Spur gear | 3 | EnglischBem: DeutschBem: DeutschDesc: Abtriebsstirnrad InternBDB: InternKon: SerienBem: Zwhead_Deu: Zwhead_Eng: |
|||
| ? | 767 781 73 | Spur gear | 1 | EnglischBem: DeutschBem: DeutschDesc: Abtriebsstirnrad InternBDB: InternKon: SerienBem: Zwhead_Deu: Zwhead_Eng: |
|||
| ? | 767 782 73 | Spur gear | 1 | EnglischBem: DeutschBem: DeutschDesc: Abtriebsstirnrad InternBDB: InternKon: SerienBem: Zwhead_Deu: Zwhead_Eng: |
|||
| ? | 806 767 73 | Intermediate ring | 1 | EnglischBem: DeutschBem: DeutschDesc: Zwischenring InternBDB: InternKon: SerienBem: Zwhead_Deu: Zwhead_Eng: |
|||
| ? | 767 784 73 | Bearing cap | 1 | EnglischBem: DeutschBem: DeutschDesc: Lagerdeckel InternBDB: InternKon: SerienBem: Zwhead_Deu: Zwhead_Eng: |
|||
| ? | 767 785 73 | Cover | 2 | EnglischBem: DeutschBem: DeutschDesc: VerschluЯdeckel InternBDB: InternKon: SerienBem: Zwhead_Deu: Zwhead_Eng: |
|||
| ? | 767 786 73 | Flange | 3 | EnglischBem: DeutschBem: DeutschDesc: AnschluЯflansch InternBDB: InternKon: SerienBem: Zwhead_Deu: Zwhead_Eng: |
|||
| ? | 767 787 73 | Flange | 1 | EnglischBem: DeutschBem: DeutschDesc: Pumpenflansch InternBDB: InternKon: SerienBem: Zwhead_Deu: Zwhead_Eng: |
|||
| ? | 767 789 73 | Flange | 1 | EnglischBem: DeutschBem: DeutschDesc: Pumpenflansch InternBDB: InternKon: SerienBem: Zwhead_Deu: Zwhead_Eng: |
|||
| ? | 767 788 73 | Cover | 1 | EnglischBem: DeutschBem: DeutschDesc: VerschluЯdeckel InternBDB: InternKon: SerienBem: Zwhead_Deu: Zwhead_Eng: |
|||
| ? | 806 231 73 | Dipstick | 1 | EnglischBem: DeutschBem: DeutschDesc: Цlpeilstab InternBDB: InternKon: SerienBem: Zwhead_Deu: Zwhead_Eng: |
|||
| ? | 806 232 73 | Metering unit | 1 | EnglischBem: DeutschBem: DeutschDesc: MeЯeinheit InternBDB: InternKon: SerienBem: Zwhead_Deu: Zwhead_Eng: |
|||
| ? | 806 233 73 | Seal | 1 | EnglischBem: DeutschBem: DeutschDesc: Dichtung InternBDB: InternKon: SerienBem: Zwhead_Deu: Zwhead_Eng: |
|||
| ? | 767 790 73 | Dipstick | 1 | EnglischBem: DeutschBem: DeutschDesc: Цlpeilstab InternBDB: InternKon: SerienBem: Zwhead_Deu: Zwhead_Eng: |
|||
| ? | 360 574 99 | Ball bearing | 6 | EnglischBem: DeutschBem: DeutschDesc: Kugellager InternBDB: InternKon: SerienBem: Zwhead_Deu: Zwhead_Eng: |
|||
| ? | 360 564 99 | Ball bearing | 4 | EnglischBem: DeutschBem: DeutschDesc: Kugellager InternBDB: InternKon: SerienBem: Zwhead_Deu: Zwhead_Eng: |
|||
| ? | 534 057 99 | Ball bearing | 1 | EnglischBem: DeutschBem: DeutschDesc: Kugellager InternBDB: InternKon: SerienBem: Zwhead_Deu: Zwhead_Eng: |
|||
| ? | 508 922 98 | Roller bearing | 1 | EnglischBem: DeutschBem: DeutschDesc: Rollenlager InternBDB: InternKon: SerienBem: Zwhead_Deu: Zwhead_Eng: |
|||
| ? | 366 841 99 | Shaft seal | 2 | EnglischBem: DeutschBem: DeutschDesc: Wellendichtring InternBDB: InternKon: SerienBem: Zwhead_Deu: Zwhead_Eng: |
|||
| ? | 366 957 99 | Shaft seal | 2 | EnglischBem: DeutschBem: DeutschDesc: Wellendichtring InternBDB: InternKon: SerienBem: Zwhead_Deu: Zwhead_Eng: |
|||
| ? | 366 818 99 | Shaft seal | 4 | EnglischBem: DeutschBem: DeutschDesc: Wellendichtring InternBDB: InternKon: SerienBem: Zwhead_Deu: Zwhead_Eng: |
|||
| ? | 508 921 98 | Shaft seal | 6 | EnglischBem: DeutschBem: DeutschDesc: Wellendichtring InternBDB: InternKon: SerienBem: Zwhead_Deu: Zwhead_Eng: |
|||
| ? | 500 414 98 | O-ring | 3 | EnglischBem: DeutschBem: DeutschDesc: O-Ring InternBDB: InternKon: SerienBem: Zwhead_Deu: Zwhead_Eng: |
|||
| ? | 508 919 98 | O-ring | 3 | EnglischBem: DeutschBem: DeutschDesc: O-Ring InternBDB: InternKon: SerienBem: Zwhead_Deu: Zwhead_Eng: |
|||
| ? | 508 920 98 | O-ring | 1 | EnglischBem: DeutschBem: DeutschDesc: O-Ring InternBDB: InternKon: SerienBem: Zwhead_Deu: Zwhead_Eng: |
|||
| ? | 006 657 98 | O-ring | 2 | EnglischBem: DeutschBem: DeutschDesc: O-Ring InternBDB: InternKon: SerienBem: Zwhead_Deu: Zwhead_Eng: |
|||
| ? | 972 111 | O-ring | 2 | EnglischBem: DeutschBem: DeutschDesc: O-Ring InternBDB: InternKon: SerienBem: Zwhead_Deu: Zwhead_Eng: |
|||
| ? | 082 821 | O-ring | 2 | EnglischBem: DeutschBem: DeutschDesc: O-Ring InternBDB: InternKon: SerienBem: Zwhead_Deu: Zwhead_Eng: |
|||
| ? | 082 754 | O-ring | 2 | EnglischBem: DeutschBem: DeutschDesc: O-Ring InternBDB: InternKon: SerienBem: Zwhead_Deu: Zwhead_Eng: |
|||
| ? | 307 847 99 | Bolt | 24 | EnglischBem: DeutschBem: DeutschDesc: Schraube InternBDB: InternKon: SerienBem: Zwhead_Deu: Zwhead_Eng: |
|||
| ? | 307 805 99 | Bolt | 12 | EnglischBem: DeutschBem: DeutschDesc: Schraube InternBDB: InternKon: SerienBem: Zwhead_Deu: Zwhead_Eng: |
|||
| ? | 308 603 99 | Bolt | 12 | EnglischBem: DeutschBem: DeutschDesc: Schraube InternBDB: InternKon: SerienBem: Zwhead_Deu: Zwhead_Eng: |
|||
| ? | 307 781 99 | Bolt | 8 | EnglischBem: DeutschBem: DeutschDesc: Schraube InternBDB: InternKon: SerienBem: Zwhead_Deu: Zwhead_Eng: |
|||
| ? | 307 806 99 | Bolt | 14 | EnglischBem: DeutschBem: DeutschDesc: Schraube InternBDB: InternKon: SerienBem: Zwhead_Deu: Zwhead_Eng: |
|||
| ? | 313 395 99 | Plug | 21 | EnglischBem: DeutschBem: DeutschDesc: VerschluЯschraube InternBDB: InternKon: SerienBem: Zwhead_Deu: Zwhead_Eng: |
|||
| ? | 313 322 99 | Plug | 2 | EnglischBem: DeutschBem: DeutschDesc: VerschluЯschraube InternBDB: InternKon: SerienBem: Zwhead_Deu: Zwhead_Eng: |
|||
| ? | 508 923 98 | Plug | 1 | EnglischBem: DeutschBem: DeutschDesc: VerschluЯschraube InternBDB: InternKon: SerienBem: Zwhead_Deu: Zwhead_Eng: |
|||
| ? | 313 267 99 | Plug | 1 | EnglischBem: DeutschBem: DeutschDesc: VerschluЯschraube InternBDB: InternKon: SerienBem: Zwhead_Deu: Zwhead_Eng: |
|||
| ? | 313 126 99 | Plug | 3 | EnglischBem: DeutschBem: DeutschDesc: VerschluЯschraube InternBDB: InternKon: SerienBem: Zwhead_Deu: Zwhead_Eng: |
|||
| ? | 339 879 99 | Seal ring | 21 | EnglischBem: DeutschBem: DeutschDesc: Dichtring InternBDB: InternKon: SerienBem: Zwhead_Deu: Zwhead_Eng: |
|||
| ? | 339 907 99 | Seal ring | 6 | EnglischBem: DeutschBem: DeutschDesc: Dichtring InternBDB: InternKon: SerienBem: Zwhead_Deu: Zwhead_Eng: |
|||
| ? | 339 967 99 | Seal ring | 3 | EnglischBem: DeutschBem: DeutschDesc: Dichtring InternBDB: InternKon: SerienBem: Zwhead_Deu: Zwhead_Eng: |
|||
| ? | 366 818 99 | Shaft seal | 4 | EnglischBem: DeutschBem: DeutschDesc: Wellendichtring InternBDB: InternKon: SerienBem: Zwhead_Deu: Zwhead_Eng: |
|||
| ? | 806 234 73 | Tube pole cap | 3 | EnglischBem: DeutschBem: DeutschDesc: VerschluЯkappe InternBDB: InternKon: SerienBem: Zwhead_Deu: Zwhead_Eng: |
|||
| ? | 339 932 99 | Seal ring | 21 | EnglischBem: DeutschBem: DeutschDesc: Dichtring InternBDB: InternKon: SerienBem: Zwhead_Deu: Zwhead_Eng: |
|||
| ? | 511 498 99 | Plug | 3 | EnglischBem: DeutschBem: DeutschDesc: VerschluЯschraube InternBDB: InternKon: SerienBem: Zwhead_Deu: Zwhead_Eng: |
|||
| ? | 342 670 99 | Circlip | 3 | EnglischBem: DeutschBem: DeutschDesc: Sicherungsring InternBDB: InternKon: SerienBem: Zwhead_Deu: Zwhead_Eng: |
|||
| ? | 372 732 99 | Union | 13 | EnglischBem: DeutschBem: DeutschDesc: Verschraubung InternBDB: InternKon: SerienBem: Zwhead_Deu: Zwhead_Eng: |
|||
| ? | 806 235 73 | Non-return valve | 1 | EnglischBem: DeutschBem: DeutschDesc: Rьckschlagventil InternBDB: InternKon: SerienBem: Zwhead_Deu: Zwhead_Eng: |
|||
| ? | 372 423 99 | Union | 1 | EnglischBem: DeutschBem: DeutschDesc: Verschraubung InternBDB: InternKon: SerienBem: Zwhead_Deu: Zwhead_Eng: |
|||
| ? | 215 805 99 | Pipe Ш 8 Bulk ware, state length required | 5 | EnglischBem: DeutschBem: DeutschDesc: Rohrleitung Ш 8
Meterware, bei Bestellung
Lдnge angeben InternBDB: InternKon: SerienBem: Zwhead_Deu: Zwhead_Eng: |
|||
| ? | 806 236 73 | Pipe bend | 4 | EnglischBem: DeutschBem: DeutschDesc: Rohrbogen InternBDB: InternKon: SerienBem: Zwhead_Deu: Zwhead_Eng: |
|||
| ? | 806 237 73 | Serial plate | 1 | EnglischBem: DeutschBem: DeutschDesc: Typenschild InternBDB: InternKon: SerienBem: Zwhead_Deu: Zwhead_Eng: |
|||
| ? | 350 823 99 | Groove pin | 4 | EnglischBem: DeutschBem: DeutschDesc: Kerbstift InternBDB: InternKon: SerienBem: Zwhead_Deu: Zwhead_Eng: |
|||
| ? | 502 271 98 | O-ring | 1 | EnglischBem: DeutschBem: DeutschDesc: O-Ring InternBDB: InternKon: SerienBem: Zwhead_Deu: Zwhead_Eng: |
|||
| ? | 308 604 99 | Bolt | 4 | EnglischBem: DeutschBem: DeutschDesc: Schraube InternBDB: InternKon: SerienBem: Zwhead_Deu: Zwhead_Eng: |
|||
| ? | 339 918 99 | Seal ring | 1 | EnglischBem: DeutschBem: DeutschDesc: Dichtring InternBDB: InternKon: SerienBem: Zwhead_Deu: Zwhead_Eng: |
|||
| ? | 307 775 99 | Bolt | 2 | EnglischBem: DeutschBem: DeutschDesc: Schraube InternBDB: InternKon: SerienBem: Zwhead_Deu: Zwhead_Eng: |
|||
| ? | 307 819 99 | Bolt | 2 | EnglischBem: DeutschBem: DeutschDesc: Schraube InternBDB: InternKon: SerienBem: Zwhead_Deu: Zwhead_Eng: |
|||
| ? | 806 238 73 | Cover | 1 | EnglischBem: DeutschBem: DeutschDesc: Deckel InternBDB: InternKon: SerienBem: Zwhead_Deu: Zwhead_Eng: |
|||
| ? | 313 316 99 | Plug | 2 | EnglischBem: DeutschBem: DeutschDesc: VerschluЯschraube InternBDB: InternKon: SerienBem: Zwhead_Deu: Zwhead_Eng: |
|||
| ? | 340 087 99 | Seal ring | 2 | EnglischBem: DeutschBem: DeutschDesc: Dichtring InternBDB: InternKon: SerienBem: Zwhead_Deu: Zwhead_Eng: |
|||
| ? | 806 240 73 | Cover | 1 | EnglischBem: DeutschBem: DeutschDesc: VerschluЯdeckel InternBDB: InternKon: SerienBem: Zwhead_Deu: Zwhead_Eng: |
|||
| ? | 806 239 73 | Cover | 1 | EnglischBem: DeutschBem: DeutschDesc: Deckel InternBDB: InternKon: SerienBem: Zwhead_Deu: Zwhead_Eng: |
|||
| ? | 307 802 99 | Bolt | 8 | EnglischBem: DeutschBem: DeutschDesc: Schraube InternBDB: InternKon: SerienBem: Zwhead_Deu: Zwhead_Eng: |
|||
| ? | 971 177 | O-ring | 1 | EnglischBem: DeutschBem: DeutschDesc: O-Ring InternBDB: InternKon: SerienBem: Zwhead_Deu: Zwhead_Eng: |
|||
| ? | 342 568 99 | Circlip | 1 | EnglischBem: DeutschBem: DeutschDesc: Sicherungsring InternBDB: InternKon: SerienBem: Zwhead_Deu: Zwhead_Eng: |
|||
| ? | 342 701 99 | Circlip | 1 | EnglischBem: DeutschBem: DeutschDesc: Sicherungsring InternBDB: InternKon: SerienBem: Zwhead_Deu: Zwhead_Eng: |
|||
| ? | 767 791 73 | Plug | 1 | EnglischBem: DeutschBem: DeutschDesc: Stopfen InternBDB: InternKon: SerienBem: Zwhead_Deu: Zwhead_Eng: |
|||
| ? | 763 770 73 | Plug | 1 | EnglischBem: DeutschBem: DeutschDesc: Stopfen InternBDB: InternKon: SerienBem: Zwhead_Deu: Zwhead_Eng: |
|||
| ? | 806 243 73 | Plug | 1 | EnglischBem: DeutschBem: DeutschDesc: Stopfen InternBDB: InternKon: SerienBem: Zwhead_Deu: Zwhead_Eng: |
|||
| ? | 806 244 73 | Plug | 1 | EnglischBem: DeutschBem: DeutschDesc: Stopfen InternBDB: InternKon: SerienBem: Zwhead_Deu: Zwhead_Eng: |