| Номер на схеме | Каталожный номер | Название | Количество | Детали | |||
|---|---|---|---|---|---|---|---|
| ? | SERIAL NO. IN ( ) INDICATES TRANSMISSION SERIAL NO. | SERIALNO: |
|||||
| ? | (114-15-00036) | TRANSMISSION ASS'Y | 1 | SN: 41184- KIT-FLAG: _- SERIALNO: 41184- |
|||
| ? | (114-15-00035) | TRANSMISSION ASS'Y | 1 | SN: 41026-41183 KIT-FLAG: _- SERIALNO: 41026-41183 |
|||
| ? | (□114-15-00034) | TRANSMISSION ASS'Y | 1 | SN: 41001-41025 KIT-FLAG: _- SERIALNO: 41001-41025 |
|||
| ? | THESE ASSEMBLIES CONSIST OF ALL PARTS SHOWN IN FIGS.F2320-51A0 TO F2320-59A0. | SERIALNO: |
|||||
| ? | (114-15-51010) | • TRANSMISSION ASS'Y | 1 | SN: 41184- KIT-FLAG: _- SERIALNO: 41184- |
|||
| ? | (114-15-00511) | • TRANSMISSION ASS'Y | 1 | SN: 41026-41183 KIT-FLAG: _- SERIALNO: 41026-41183 |
|||
| ? | (□114-15-00510) | • TRANSMISSION ASS'Y | 1 | SN: 41001-41025 KIT-FLAG: _- SERIALNO: 41001-41025 |
|||
| ? | THESE ASSEMBLIES CONSIST OF ALL PARTS SHOWN IN FIGS.F2320-51A0 TO F2320-55A0 AND F2320-57A0 TO F2320-59A0. | SERIALNO: |
|||||
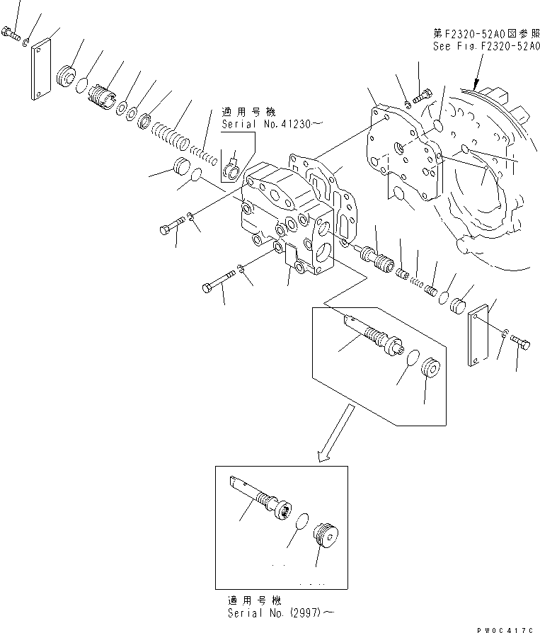
| ? | 113-15-00483 | • • VALVE ASS'Y,MODULATION | 1 | SN: 41026- KIT-FLAG: _- SERIALNO: 41026- |
|||
| ? | □113-15-00482 | • • VALVE ASS'Y,MODULATION | 1 | SN: 41001-41025 KIT-FLAG: _- SERIALNO: 41001-41025 |
|||
| ? | 104-15-25110 | • • • BODY | 1 | SN: 41001- KIT-FLAG: _- SERIALNO: 41001- |
|||
| ? | 104-15-25210 | • • • SPOOL | 1 | SN: 41001- KIT-FLAG: _- SERIALNO: 41001- |
|||
| ? | 104-15-25290 | • • • SPRING, (L= 62.0) | 1 | SN: 41001- KIT-FLAG: _- SERIALNO: 41001- |
|||
| ? | 113-15-45280 | • • • SPRING | 1 | SN: 41001- KIT-FLAG: _- SERIALNO: 41001- |
|||
| ? | 113-15-35220 | • • • VALVE | 1 | SN: 41001- KIT-FLAG: _- SERIALNO: 41001- |
|||
| ? | 113-15-25260 | • • • SHIM, 0.5MM | 3 | SN: 41001- KIT-FLAG: _- SERIALNO: 41001- |
|||
| ? | 113-15-25270 | • • • SHIM, 0.2MM | 2 | SN: 41001- KIT-FLAG: _- SERIALNO: 41001- |
|||
| ? | 104-15-25260 | • • • SPACER | 1 | SN: 41001- KIT-FLAG: _- SERIALNO: 41001- |
|||
| ? | 104-15-25490 | • • • VALVE | 1 | SN: 41001- KIT-FLAG: _- SERIALNO: 41001- |
|||
| ? | 125-15-15290 | • • • SPRING | 1 | SN: 41001- KIT-FLAG: _- SERIALNO: 41001- |
|||
| ? | 104-15-25480 | • • • VALVE | 1 | SN: 41001- KIT-FLAG: _- SERIALNO: 41001- |
|||
| ? | 104-15-25323 | • • • SPOOL | 1 | SN: (2997)- KIT-FLAG: _- SERIALNO: (2997)- |
|||
| ? | 104-15-25322 | • • • SPOOL | 1 | SN: 41026-(2996) KIT-FLAG: _- SERIALNO: 41026-(2996) |
|||
| ? | □104-15-25321 | • • • SPOOL | 1 | SN: 41001-41025 KIT-FLAG: _- SERIALNO: 41001-41025 |
|||
| ? | 104-15-25330 | • • • STOPPER | 1 | SN: (2997)- KIT-FLAG: _- SERIALNO: (2997)- |
|||
| ? | 104-15-25330 | • • • STOPPER | 2 | SN: 41001-(2996) KIT-FLAG: _- SERIALNO: 41001-(2996) |
|||
| ? | 124-15-55390 | • • • STOPPER | 1 | SN: (2997)- KIT-FLAG: _- SERIALNO: (2997)- |
|||
| ? | 07000-73025 | • • • O-RING (K2) | 2 | SN: 41001- KIT-FLAG: _- SERIALNO: 41001- |
|||
| ? | 104-15-25340 | • • • STOPPER | 2 | SN: 41001- KIT-FLAG: _- SERIALNO: 41001- |
|||
| ? | 07000-72020 | • • • O-RING (K2) | 2 | SN: 41001- KIT-FLAG: _- SERIALNO: 41001- |
|||
| ? | 103-15-25350 | • • • PLATE | 2 | SN: 41001- KIT-FLAG: _- SERIALNO: 41001- |
|||
| ? | 01010-80820 | • • • BOLT | 4 | SN: 41001- KIT-FLAG: _- SERIALNO: 41001- |
|||
| ? | 01010-80860 | • • • BOLT | 3 | SN: 41001- KIT-FLAG: _- SERIALNO: 41001- |
|||
| ? | 01602-20825 | • • • WASHER,SPRING | 7 | SN: 41001- KIT-FLAG: _- SERIALNO: 41001- |
|||
| ? | 113-15-00491 | • • • SEAT ASS'Y | 1 | SN: 41001- KIT-FLAG: _- SERIALNO: 41001- |
|||
| ? | ☆ | • • • • SEAT | 1 | SN: 41001- KIT-FLAG: _- SERIALNO: 41001- |
|||
| ? | 04260-00635 | • • • • BALL | 1 | SN: 41001- KIT-FLAG: _- SERIALNO: 41001- |
|||
| ? | 104-15-25140 | • • • GASKET (K2) | 1 | SN: 41001- KIT-FLAG: _- SERIALNO: 41001- |
|||
| ? | 01010-81025 | • • • BOLT | 2 | SN: 41001- KIT-FLAG: _- SERIALNO: 41001- |
|||
| ? | 01602-21030 | • • • WASHER,SPRING | 2 | SN: 41001- KIT-FLAG: _- SERIALNO: 41001- |
|||
| ? | 103-15-35270 | • • • SHIM, 0.5MM,SPRING | 3 | SN: 41230- KIT-FLAG: _- SERIALNO: 41230- |
|||
| ? | 07000-72014 | • • O-RING (K2) | 2 | SN: 41001- KIT-FLAG: _- SERIALNO: 41001- |
|||
| ? | 07000-72018 | • • O-RING (K2) | 2 | SN: 41001- KIT-FLAG: _- SERIALNO: 41001- |
|||
| ? | 01010-80870 | • • BOLT | 5 | SN: 41001- KIT-FLAG: _- SERIALNO: 41001- |
|||
| ? | 01602-20825 | • • WASHER,SPRING | 5 | SN: 41001- KIT-FLAG: _- SERIALNO: 41001- |