k-part
Номер на схеме Каталожный номер Название Количество Детали
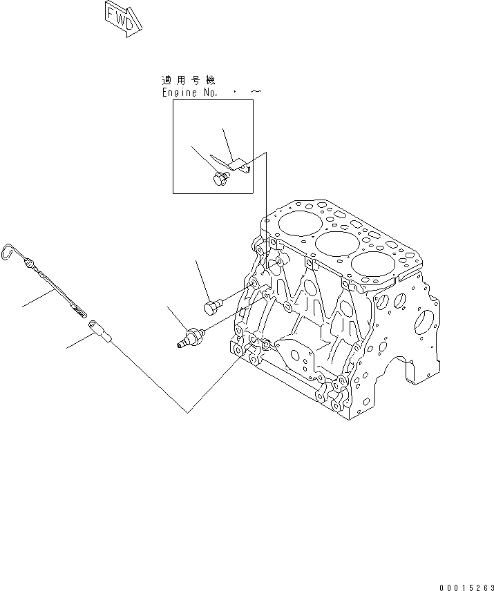
? YM121520-34810 GUIDE 1
SN: 11582-
KIT-FLAG: _-
SERIALNO: 11582-
? YM119836-34800 GAUGE,LEVEL 1
SN: 11582-
KIT-FLAG: _-
SERIALNO: 11582-
? YM121252-39450 SWITCH,OIL PRESSURE 1
SN: 11582-
KIT-FLAG: _-
SERIALNO: 11582-
? YM129136-66852 SUPPORT 1
SN: .-
KIT-FLAG: _-
SERIALNO: .-
? YM26106-080122 BOLT 1
SN: .-
KIT-FLAG: _-
SERIALNO: .-
? YM171056-49120 PLUG,DRAIN 1
SN: 11582-
KIT-FLAG: _-
SERIALNO: 11582-

Engines Komatsu / 3D82AE-3HC S/N 04840-UP(3d82ae2c) / CYLINDER BLOCK ACCSESSORY(#11582-)(030100 : A2011-A0A3)
?
?
?
?
?
?