| Номер на схеме | Каталожный номер | Название | Количество | Детали | |||
|---|---|---|---|---|---|---|---|
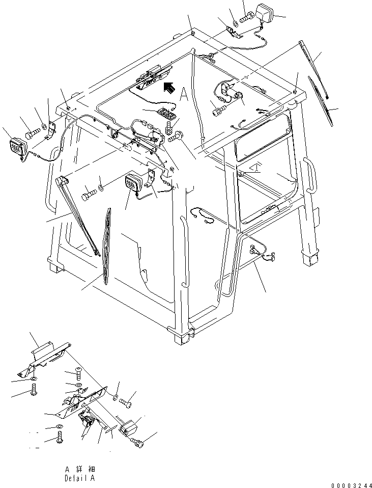
| ? | (11Y-979-0025) | ROPS CAB ASS'Y,EXCEPT JAPAN | 1 | SN: 50501- KIT-FLAG: _- SERIALNO: 50501- |
|||
| ? | (11Y-979-0035) | ROPS CAB ASS'Y,EXCEPT JAPAN, RADIO LESS | 1 | SN: 50501- KIT-FLAG: _- SERIALNO: 50501- |
|||
| ? | THESE ASSEMBLIES CONSIST OF ALL PARTS SHOWN IN FIGS.K0210-01A0 TO K0210-11A0. | SERIALNO: |
|||||
| ? | 11Y-979-1612 | • WIRING HARNESS | 1 | SN: 50501- KIT-FLAG: _- SERIALNO: 50501- |
|||
| ? | 01023-70514 | • SCREW | 2 | SN: 50501- KIT-FLAG: _- SERIALNO: 50501- |
|||
| ? | 11Y-979-2940 | • SEAL | 4 | SN: 50501- KIT-FLAG: _- SERIALNO: 50501- |
|||
| ? | 08059-00515 | • CLIP | 1 | SN: 50501- KIT-FLAG: _- SERIALNO: 50501- |
|||
| ? | 11Y-979-1941 | • SWITCH | 2 | SN: 50501- KIT-FLAG: _- SERIALNO: 50501- |
|||
| ? | 11Y-979-1960 | • CIRCUIT BREAKER | 1 | SN: 50501- KIT-FLAG: _- SERIALNO: 50501- |
|||
| ? | 11Y-979-2360 | • PLATE | 1 | SN: 50501- KIT-FLAG: _- SERIALNO: 50501- |
|||
| ? | 11Y-979-1511 | • PLATE | 1 | SN: 50501- KIT-FLAG: _- SERIALNO: 50501- |
|||
| ? | 01245-00610 | • SCREW | 4 | SN: 50501- KIT-FLAG: _- SERIALNO: 50501- |
|||
| ? | 01643-70623 | • WASHER | 4 | SN: 50501- KIT-FLAG: _- SERIALNO: 50501- |
|||
| ? | 11Y-979-1521 | • COVER | 1 | SN: 50501- KIT-FLAG: _- SERIALNO: 50501- |
|||
| ? | 01245-00616 | • SCREW | 4 | SN: 50501- KIT-FLAG: _- SERIALNO: 50501- |
|||
| ? | 01643-70623 | • WASHER | 4 | SN: 50501- KIT-FLAG: _- SERIALNO: 50501- |
|||
| ? | 11Y-979-1580 | • BRACKET | 1 | SN: 50501- KIT-FLAG: _- SERIALNO: 50501- |
|||
| ? | 01245-00610 | • SCREW | 2 | SN: 50501- KIT-FLAG: _- SERIALNO: 50501- |
|||
| ? | 01643-70623 | • WASHER | 2 | SN: 50501- KIT-FLAG: _- SERIALNO: 50501- |
|||
| ? | 11Y-979-1531 | • WIPER MOTOR ASS'Y,FRONT | 1 | SN: 50501- KIT-FLAG: _- SERIALNO: 50501- |
|||
| ? | 01435-40616 | • BOLT | 4 | SN: 50501- KIT-FLAG: _- SERIALNO: 50501- |
|||
| ? | 426-54-15233 | • ARM,WIPER | 1 | SN: 50501- KIT-FLAG: _- SERIALNO: 50501- |
|||
| ? | 425-54-15250 | • BLADE,WIPER | 1 | SN: 50501- KIT-FLAG: _- SERIALNO: 50501- |
|||
| ? | 425-56-21220 | • • RUBBER | 1 | SN: 50501- KIT-FLAG: _- SERIALNO: 50501- |
|||
| ? | 11Y-979-2320 | • WIPER MOTOR ASS'Y,REAR | 1 | SN: 50501- KIT-FLAG: _- SERIALNO: 50501- |
|||
| ? | 01023-20512 | • SCREW | 2 | SN: 50501- KIT-FLAG: _- SERIALNO: 50501- |
|||
| ? | 209-06-77910 | • ARM,WIPER | 1 | SN: 50501- KIT-FLAG: _- SERIALNO: 50501- |
|||
| ? | 20T-54-74990 | • BLADE,WIPER | 1 | SN: 50501- KIT-FLAG: _- SERIALNO: 50501- |
|||
| ? | 421-06-26210 | • LAMP ASS'Y,ROOM | 1 | SN: 50501- KIT-FLAG: _- SERIALNO: 50501- |
|||
| ? | 421-06-26250 | • • LENS | 2 | SN: 50501- KIT-FLAG: _- SERIALNO: 50501- |
|||
| ? | 421-06-26260 | • • BULB, 10W | 2 | SN: 50501- KIT-FLAG: _- SERIALNO: 50501- |
|||
| ? | 01023-70514 | • SCREW | 2 | SN: 50501- KIT-FLAG: _- SERIALNO: 50501- |
|||
| ? | 11Y-978-1610 | • BRACKET,L.H. | 1 | SN: 50501- KIT-FLAG: _- SERIALNO: 50501- |
|||
| ? | 11Y-978-1620 | • BRACKET,R.H. | 1 | SN: 50501- KIT-FLAG: _- SERIALNO: 50501- |
|||
| ? | 11Y-978-1311 | • PLATE | 1 | SN: 50501- KIT-FLAG: _- SERIALNO: 50501- |
|||
| ? | 01010-D1225 | • BOLT | 6 | SN: 50501- KIT-FLAG: _- SERIALNO: 50501- |
|||
| ? | 01643-71232 | • WASHER | 6 | SN: 50501- KIT-FLAG: _- SERIALNO: 50501- |
|||
| ? | 11Y-06-11372 | • LAMP | 3 | SN: 50501- KIT-FLAG: _- SERIALNO: 50501- |
|||
| ? | 421-06-23330 | • • BULB, 70W | 3 | SN: 50501- KIT-FLAG: _- SERIALNO: 50501- |