| Номер на схеме | Каталожный номер | Название | Количество | Детали | |||
|---|---|---|---|---|---|---|---|
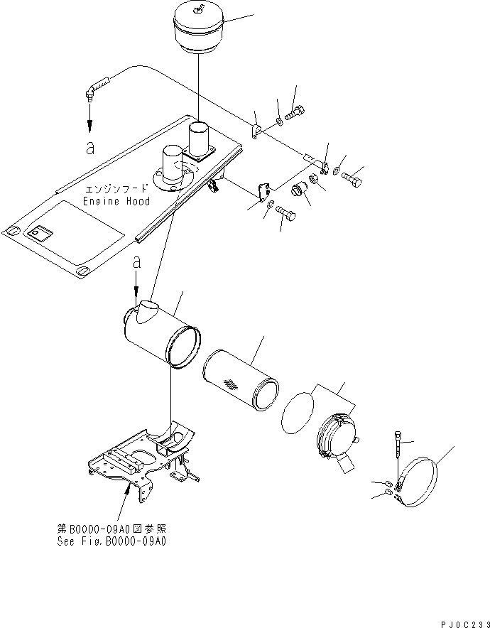
| ? | 6737-81-7100 | AIR CLEANER ASS'Y | 1 | SN: 50501- |
|||
| ? | 600-185-2500 | • ELEMENT ASS'Y | 1 | SN: 50501- |
|||
| ? | 6737-81-7110 | • BODY | 1 | SN: 50501- |
|||
| ? | 600-184-1230 | • COVER ASS'Y | 1 | SN: 50501- |
|||
| ? | 600-184-1280 | • • O-RING | 1 | SN: 50501- |
|||
| ? | 124-01-56910 | BAND | 2 | SN: 50501- |
|||
| ? | 6110-23-6520 | BOLT | 2 | SN: 50501- |
|||
| ? | 124-01-56920 | PIN | 2 | SN: 50501- |
|||
| ? | 124-01-56930 | PIN | 2 | SN: 50501- |
|||
| ? | 08672-01000 | INDICATOR | 1 | SN: 50501- |
|||
| ? | (600-181-2630) | PRE-CLEANER ASS'Y | 1 | SN: 50501- |
|||
| ? | 08671-10060 | HOSE | 1 | SN: 50501- |
|||
| ? | 01010-80616 | BOLT | 2 | SN: 50501- |
|||
| ? | 01643-30623 | WASHER | 2 | SN: 50501- |
|||
| ? | 11Y-01-11911 | BRACKET | 1 | SN: 50501- |
|||
| ? | 01010-81025 | BOLT | 2 | SN: 50501- |
|||
| ? | 01643-31032 | WASHER | 2 | SN: 50501- |
|||
| ? | 11Y-01-11920 | JOINT | 1 | SN: 50501- |
|||
| ? | 04434-51410 | CLIP | 1 | SN: 50501- |
|||
| ? | 01010-81025 | BOLT | 1 | SN: 50501- |
|||
| ? | 01643-31032 | WASHER | 1 | SN: 50501- |