| Номер на схеме | Каталожный номер | Название | Количество | Детали | |||
|---|---|---|---|---|---|---|---|
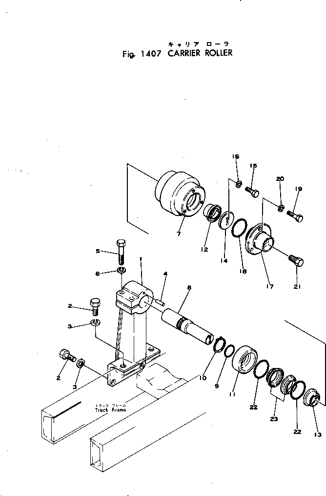
| ? | 102-30-11241 | SUPPORT,CARRIER ROLLER | 2 | SN: .- |
|||
| ? | 102-30-11240 | SUPPORT,CARRIER ROLLER | 2 | SN: 20007-. |
|||
| ? | 01010-31435 | BOLT | 6 | SN: .- |
|||
| ? | 01010-31430 | BOLT | 8 | SN: 20007-. |
|||
| ? | 01602-01442 | WASHER,SPRING | 6 | SN: .- |
|||
| ? | 01602-01442 | WASHER,SPRING | 8 | SN: 20007-. |
|||
| ? | 04020-00514 | PIN,DOWEL | 2 | SN: 20007- |
|||
| ? | 01010-31250 | BOLT | 4 | SN: 20007- |
|||
| ? | 01602-01236 | WASHER,SPRING | 4 | SN: 20007- |
|||
| ? | 102-30-00012 | CARRIER ROLLER ASS'Y | 2 | SN: 20007- |
|||
| ? | 102-30-11151 | • ROLLER,CARRIER | 1 | SN: 20007- |
|||
| ? | 102-30-11141 | • SHAFT,CARRIER ROLLER | 1 | SN: 20007- |
|||
| ? | 07000-03032 | • O-RING (KIT) | 1 | SN: 20007- |
|||
| ? | 04064-03818 | • RING,SNAP | 1 | SN: 20007- |
|||
| ? | 102-30-11190 | • COVER | 1 | SN: 20007- |
|||
| ? | 102-30-11160 | • BUSHING | 1 | SN: 20007- |
|||
| ? | 102-30-11170 | • BUSHING | 1 | SN: 20007- |
|||
| ? | 102-30-11180 | • PLATE | 1 | SN: 20007- |
|||
| ? | 01010-30816 | • BOLT | 2 | SN: 20007- |
|||
| ? | 01602-00825 | • WASHER,SPRING | 2 | SN: 20007- |
|||
| ? | 102-30-11222 | • COVER,CARRIER ROLLER | 1 | SN: 20007- |
|||
| ? | 07000-03052 | • O-RING (KIT) | 1 | SN: 20007- |
|||
| ? | 01010-30820 | • BOLT | 3 | SN: 20007- |
|||
| ? | 01602-00825 | • WASHER,SPRING | 3 | SN: 20007- |
|||
| ? | 101-30-11430 | • BOLT,SEAL | 1 | SN: 20007- |
|||
| ? | 110-30-00045 | • FLOATING SEAL ASS'Y | 1 | SN: 20007- |
|||
| ? | ☆ | • • O-RING | 2 | SN: 20007- |
|||
| ? | ☆ | • • RING,SEAL | 2 | SN: 20007- |
