| Номер на схеме | Каталожный номер | Название | Количество | Детали | |||
|---|---|---|---|---|---|---|---|
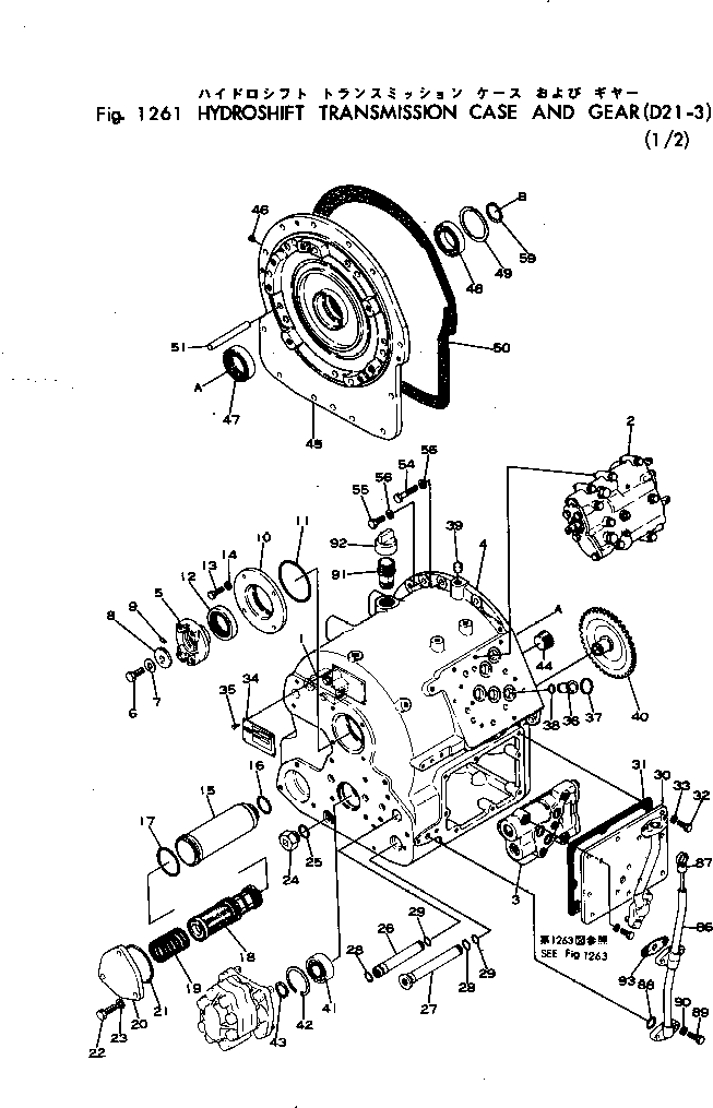
| ? | 103-15-00011 | TRANSMISSION ASS'Y | 1 | SN: 28431- |
|||
| ? | □103-15-00010 | TRANSMISSION ASS'Y | 1 | SN: 20013-28430 |
|||
| ? | (103-15-01000) | • VALVE ASS'Y,LUBRICATION | 1 | SN: 20013- |
|||
| ? | (103-15-02000) | • VALVE ASS'Y,SELECTOR | 1 | SN: 20013- |
|||
| ? | (103-15-03002) | • VALVE ASS'Y,MODULATING | 1 | SN: 30651- |
|||
| ? | (103-15-03001) | • VALVE ASS'Y,MODULATING | 1 | SN: 28882-30650 |
|||
| ? | □103-15-03000 | • VALVE ASS'Y,MODULATING | 1 | SN: 20013-28881 |
|||
| ? | 103-15-00111 | • TRANSMISSION ASS'Y | 1 | SN: 28431- |
|||
| ? | □103-15-00110 | • TRANSMISSION ASS'Y | 1 | SN: 20013-28430 |
|||
| ? | 103-15-11111 | • • CASE | 1 | SN: 20013- |
|||
| ? | 103-15-12150 | • • COUPLING | 1 | SN: 20013- |
|||
| ? | 01010-31025 | • • BOLT | 1 | SN: 20013- |
|||
| ? | 01653-01012 | • • WASHER | 1 | SN: 20013- |
|||
| ? | 103-15-12160 | • • HOLDER | 1 | SN: 20013- |
|||
| ? | 103-15-12690 | • • KEY | 1 | SN: 20013- |
|||
| ? | 103-15-11190 | • • CAGE | 1 | SN: 20013- |
|||
| ? | 07000-02080 | • • O-RING (KIT) | 1 | SN: 20013- |
|||
| ? | 07012-00042 | • • SEAL | 1 | SN: 20013- |
|||
| ? | 01010-30820 | • • BOLT | 4 | SN: 20013- |
|||
| ? | 01602-00825 | • • WASHER | 4 | SN: 20013- |
|||
| ? | 125-15-11711 | • • CASE | 1 | SN: 20013- |
|||
| ? | 07000-03030 | • • O-RING (KIT) | 1 | SN: 20013- |
|||
| ? | 07000-02055 | • • O-RING (KIT) | 1 | SN: 20013- |
|||
| ? | 125-15-11722 | • • MAGNET ASS'Y | 1 | SN: 20013- |
|||
| ? | 125-15-11790 | • • SPRING | 1 | SN: 20013- |
|||
| ? | 125-15-11241 | • • COVER | 1 | SN: 20013- |
|||
| ? | 07000-02070 | • • O-RING (KIT) | 1 | SN: 20013- |
|||
| ? | 01010-31030 | • • BOLT | 3 | SN: 20013- |
|||
| ? | 01602-01030 | • • WASHER | 3 | SN: 20013- |
|||
| ? | 07044-02412 | • • PLUG | 1 | SN: 20013- |
|||
| ? | 07000-03022 | • • O-RING (KIT) | 1 | SN: 20013- |
|||
| ? | 103-15-11670 | • • SLEEVE | 1 | SN: 20013- |
|||
| ? | 103-15-11680 | • • SLEEVE | 1 | SN: 20013- |
|||
| ? | 07000-02018 | • • O-RING (KIT) | 2 | SN: 20013- |
|||
| ? | 07000-02016 | • • O-RING (KIT) | 2 | SN: 20013- |
|||
| ? | 103-15-11530 | • • PLATE | 1 | SN: 20013- |
|||
| ? | 103-15-11540 | • • GASKET | 1 | SN: 20013- |
|||
| ? | 01010-30822 | • • BOLT | 8 | SN: 20013- |
|||
| ? | 01602-00825 | • • WASHER | 8 | SN: 20013- |
|||
| ? | 09608-05080 | • • PLATE ? NAME,(LIMITED SUPPLY) | 1 | SN: 20013- |
|||
| ? | 04418-03060 | • • SCREW | 4 | SN: 20013- |
|||
| ? | 103-15-11310 | • • SLEEVE | 5 | SN: 20013- |
|||
| ? | 07000-03025 | • • O-RING (KIT) | 5 | SN: 20013- |
|||
| ? | 07000-02012 | • • O-RING (KIT) | 5 | SN: 20013- |
|||
| ? | 07049-01215 | • • PLUG | 2 | SN: 20013- |
|||
| ? | 103-15-12170 | • • GEAR | 1 | SN: 20013- |
|||
| ? | 06030-05205 | • • BEARING | 1 | SN: 20013- |
|||
| ? | 04065-05220 | • • RING | 1 | SN: 20013- |
|||
| ? | 04064-02512 | • • RING | 1 | SN: 20013- |
|||
| ? | 07043-01019 | • • PLUG | 1 | SN: 20013- |
|||
| ? | 103-15-00121 | • • PLATE ASS'Y | 1 | SN: 28431- |
|||
| ? | ▩103-15-00120 | • • PLATE ASS'Y | 1 | SN: 20013-28430 |
|||
| ? | (103-15-00121{07012-00050 ?} | ||||||
| ? | 103-15-12940{04065-07025 ?} | ||||||
| ? | 103-15-12121) | ||||||
| ? | 103-15-11132 | • • • PLATE | 1 | SN: 28431- |
|||
| ? | 103-15-11131 | • • • PLATE | 1 | SN: 20013-28430 |
|||
| ? | 07043-00108 | • • • PLUG | 1 | SN: 20013- |
|||
| ? | 07012-00050 | • • SEAL | 1 | SN: 28431- |
|||
| ? | 07013-00048 | • • SEAL | 1 | SN: 20013-28430 |
|||
| ? | 103-15-12940 | • • BEARING | 1 | SN: 28431- |
|||
| ? | 06030-06008 | • • BEARING | 1 | SN: 20013-28430 |
|||
| ? | 04065-07025 | • • RING | 1 | SN: 28431- |
|||
| ? | 130-09-15420 | • • RING | 1 | SN: 20013-28430 |
|||
| ? | 103-15-11120 | • • GASKET (KIT) | 2 | SN: 20013- |
|||
| ? | 103-15-12890 | • • PIN | 5 | SN: 20013- |
|||
| ? | 175-15-31210 | • • PIN | 1 | SN: 20013- |
|||
| ? | 103-15-00150 | • • CASE ASS'Y | 1 | SN: 20013- |
|||
| ? | ☆ | • • • CASE | 1 | SN: 20013- |
|||
| ? | 103-15-13131 | • • • PLATE | 1 | SN: 20013- |
|||
| ? | 01010-31045 | • • BOLT | 13 | SN: 20013- |
|||
| ? | 01010-31025 | • • BOLT | 3 | SN: 20013- |
|||
| ? | 01602-01030 | • • WASHER | 16 | SN: 20013- |
|||
| ? | 07030-03034 | • • BREATHER | 1 | SN: 20013- |
|||
| ? | 07005-03016 | • • GASKET | 1 | SN: 20013- |
|||
| ? | 04064-03818 | • • RING | 1 | SN: 20013- |
|||
| ? | 04020-01024 | • • PIN | 1 | SN: 20013- |
|||
| ? | 06041-01011 | • • BEARING | 1 | SN: 20013- |
|||
| ? | 130-09-15610 | • • RING | 1 | SN: 20013- |
|||
| ? | 103-15-13210 | • • GEAR | 1 | SN: 20013- |
|||
| ? | 06040-06011 | • • BEARING | 1 | SN: 20013- |
|||
| ? | 103-15-13250 | • • RING | 2 | SN: 20013- |
|||
| ? | 01010-31025 | • • BOLT | 5 | SN: 20013- |
|||
| ? | 01602-01030 | • • WASHER | 5 | SN: 20013- |
|||
| ? | 103-15-13362 | • • CAGE | 1 | SN: 20013- |
|||
| ? | 103-15-13411 | • • SHIM ? 1.0MM | 2 | SN: 20013- |
|||
| ? | 103-15-13421 | • • SHIM ? 0.2MM | 8 | SN: 20013- |
|||
| ? | 103-15-13431 | • • SHIM ? 0.1MM | 4 | SN: 20013- |
|||
| ? | 103-15-13351 | • • BEARING | 1 | SN: 20013- |
|||
| ? | 103-15-13371 | • • PLATE | 1 | SN: 20013- |
|||
| ? | 01010-31030 | • • BOLT | 4 | SN: 20013- |
|||
| ? | 01602-01030 | • • WASHER | 4 | SN: 20013- |
|||
| ? | 103-15-13313 | • • SHAFT | 1 | SN: 20013- |
|||
| ? | 103-15-13392 | • • BEARING | 1 | SN: 20013- |
|||
| ? | 103-15-13382 | • • GEAR | 1 | SN: 20013- |
|||
| ? | 04080-03506 | • • HOLDER | 1 | SN: 20013- |
|||
| ? | 01010-30820 | • • BOLT | 2 | SN: 20013- |
|||
| ? | 04081-03510 | • • LOCK | 1 | SN: 20013- |
|||
| ? | 07000-05220 | O-RING (KIT) | 1 | SN: 20013- |
|||
| ? | 01010-31230 | BOLT | 9 | SN: 20013- |
|||
| ? | 01602-01236 | WASHER | 9 | SN: 20013- |
|||
| ? | 103-15-19110 | TUBE | 1 | SN: 20013- |
|||
| ? | 103-15-19140 | GAUGE | 1 | SN: 20013- |
|||
| ? | 07000-02020 | O-RING (KIT) | 1 | SN: 20013- |
|||
| ? | 01010-30825 | BOLT | 4 | SN: 20013- |
|||
| ? | 01602-00825 | WASHER | 4 | SN: 20013- |
|||
| ? | 103-15-19150 | PORT | 1 | SN: 20013- |
|||
| ? | 103-15-19160 | CAP | 1 | SN: 20013- |
|||
| ? | 103-15-19170 | GASKET | 1 | SN: 20013- |
