k-part
Номер на схеме Каталожный номер Название Количество Детали
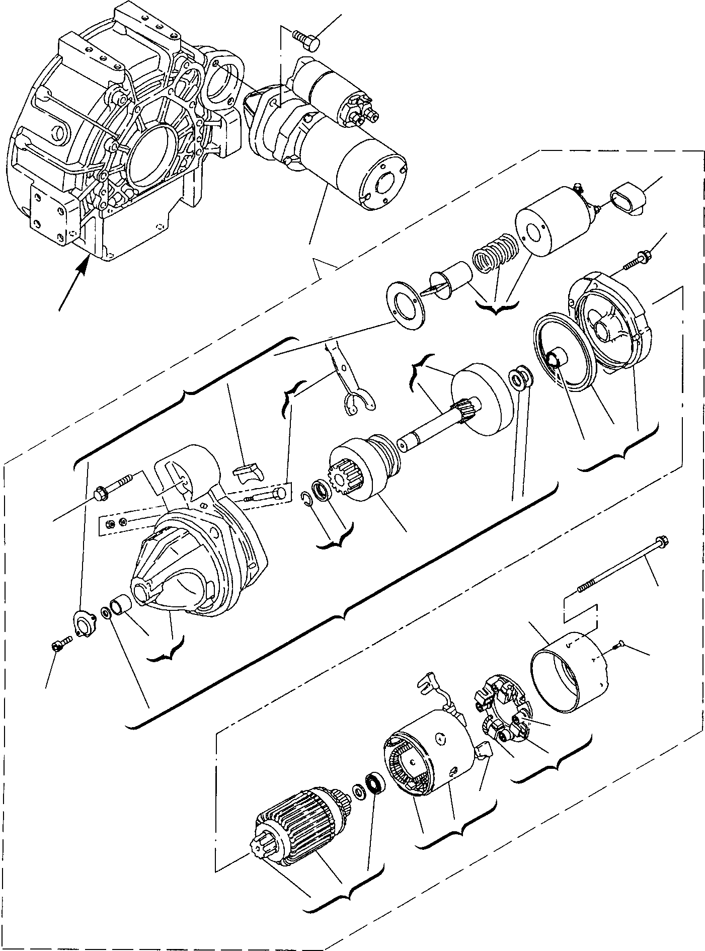
? (871070041) TURBO ENGINE 1
ENSN: 04286-
? YM129953-77010 • STARTING MOTOR 1
ENSN: 04286-
? YM121254-77402 • • ARMATURE ASSY. 1
ENSN: 04286-
? YM121254-77430 • • WASHER 1
ENSN: 04286-
? YM121254-77480 • • STOPPER PINION 1
ENSN: 04286-
? YM121254-77521 • • • COIL ASSY, FIELD 1
ENSN: 04286-
? YM121254-77541 • • • • BRUSH 2
ENSN: 04286-
? YM121254-77550 • • COVER 1
ENSN: 04286-
? YM121254-77571 • • HOLDER 1
ENSN: 04286-
? YM121254-77581 • • • BRUSH 2
ENSN: 04286-
? YM121254-77590 • • • SPRING, BRUSH 4
ENSN: 04286-
? YM121254-77600 • • BEARING ASSY, CENTER 1
ENSN: 04286-
? YM121254-77610 • • • SEAL, OIL 1
ENSN: 04286-
? YM121254-77620 • • • BEARING, NEEDLE 1
ENSN: 04286-
? YM121254-77640 • • SHAFT 1
ENSN: 04286-
? YM129953-77660 • • PINION 1
ENSN: 04286-
? YMX2130570040 • • SWITCH 1
ENSN: 04286-
? YM121254-77681 • • CASE ASSY. 1
ENSN: 04286-
? YM121254-77690 • • • GEAR CASE 1
ENSN: 04286-
? YM121254-77700 • • LEVER 1
ENSN: 04286-
? YM121254-77730 • • DUST COVER SET 1
ENSN: 04286-
? YM121254-77770 • • BOLT 2
ENSN: 04286-
? YM121254-77790 • • SCREW 2
ENSN: 04286-
? YM121254-77810 • • TERMINAL COVER 1
ENSN: 04286-
? YM26106-060302 • • BOLT 3
ENSN: 04286-
? YM26106-060452 • • BOLT 2
ENSN: 04286-
? YM121254-77780 • • SCREW 2
ENSN: 04286-
? YM26116-120302 • BOLT 2
ENSN: 04286-
? SEE FIG. 0221 0221

Backhoeloaders Komatsu / WB97S-2 S/N 97SF10001-Up(wb97s_2) / STARTING MOTOR(A-0220 : 0611)
?
?
?
?
?
?
?
?
?
?
?
?
?
?
?
?
?
?
?
?
?
?
?
?
?
?
?
?