k-part
Номер на схеме Каталожный номер Название Количество Детали
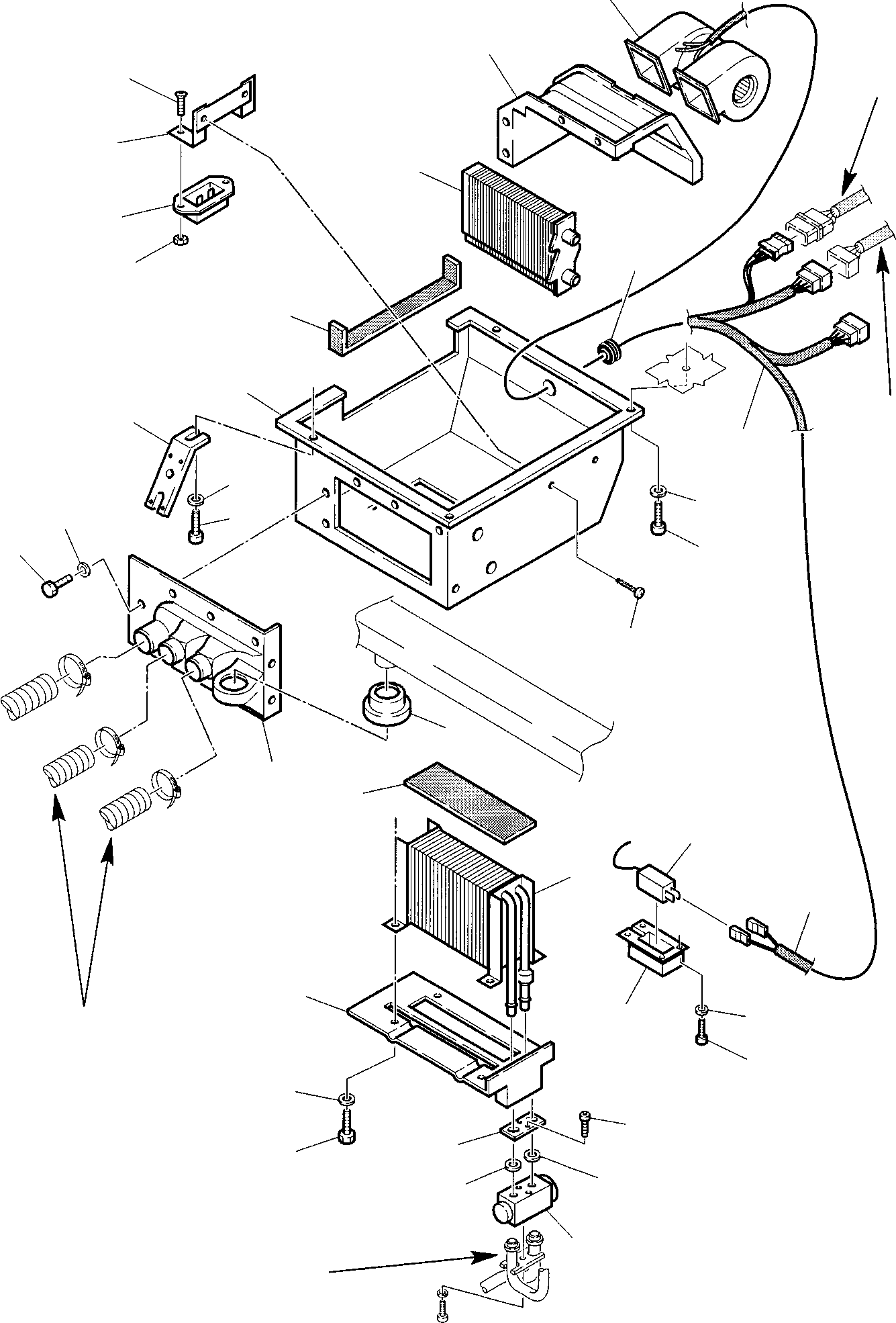
? 888011041 AIR BLENDING SYSTEM, ASSY. 1
SN: 97SF10001-
? 888011042 • CABIN AIR BLENDING SYSTEM 1
SN: 97SF10001-
? 312649078 • • BOX 1
SN: 97SF10001-
? 801105545 • • SCREW 4
SN: 97SF10001-
? 802170002 • • SPRING WASHER 4
SN: 97SF10001-
? 888011052 • • AIR CONNECTION 1
SN: 97SF10001-
? • • BOLT 7
SN: 97SF10001-
? • • WASHER 7
SN: 97SF10001-
? 888011053 • • UNION 1
SN: 97SF10001-
? 888011063 GASKET 1
SN: 97SF10001-
? 312649072 BATTERY 1
SN: 97SF10001-
? 888011062 COVER 1
SN: 97SF10001-
? • BOLT 4
SN: 97SF10001-
? • WASHER 4
SN: 97SF10001-
? 312649606 FLANGE 1
SN: 97SF10001-
? 801104042 BOLT 2
SN: 97SF10001-
? 855021013 O-RING 1
SN: 97SF10001-
? 855021015 O-RING 1
SN: 97SF10001-
? 312649074 VALVE 1
SN: 97SF10001-
? 888011061 BOX 1
SN: 97SF10001-
? • BOLT 4
SN: 97SF10001-
? • WASHER 4
SN: 97SF10001-
? 312649076 THERMOSTAT 1
SN: 97SF10001-
? 312649083 WIRING 1
SN: 97SF10001-
? • RUBBER 1
SN: 97SF10001-
? 888011054 • ADHESIV GASKET 1
SN: 97SF10001-
? 888011048 • HEATER BATTERY 1
SN: 97SF10001-
? 888011049 • BATTERY COVER 1
SN: 97SF10001-
? 312649088 • HEATER 0
SN: 97SF10001-
? 312649075 RESISTOR 1
SN: 97SF10001-
? • BOLT 2
SN: 97SF10001-
? • NUT 2
SN: 97SF10001-
? 312649077 SUPPORT 1
SN: 97SF10001-
? • BOLT 2
SN: 97SF10001-
? 312632603 • COCK SUPPORT 1
SN: 97SF10001-
? SEE FIG. 5810 5810
? SEE FIG. 5910 5910
? SEE FIG. 5930 5930

Backhoeloaders Komatsu / WB97S-2 S/N 97SF10001-Up(wb97s_2) / CABIN AIR BLENDING SYSTEM (1/2)(E-0200 : 5900)
?
?
?
?
?
?
?
?
?
?
?
?
?
?
?
?
?
?
?
?
?
?
?
?
?
?
?
?
?
?
?
?
?
?
?
?
?
?
?
?