| Номер на схеме | Каталожный номер | Название | Количество | Детали | |||
|---|---|---|---|---|---|---|---|
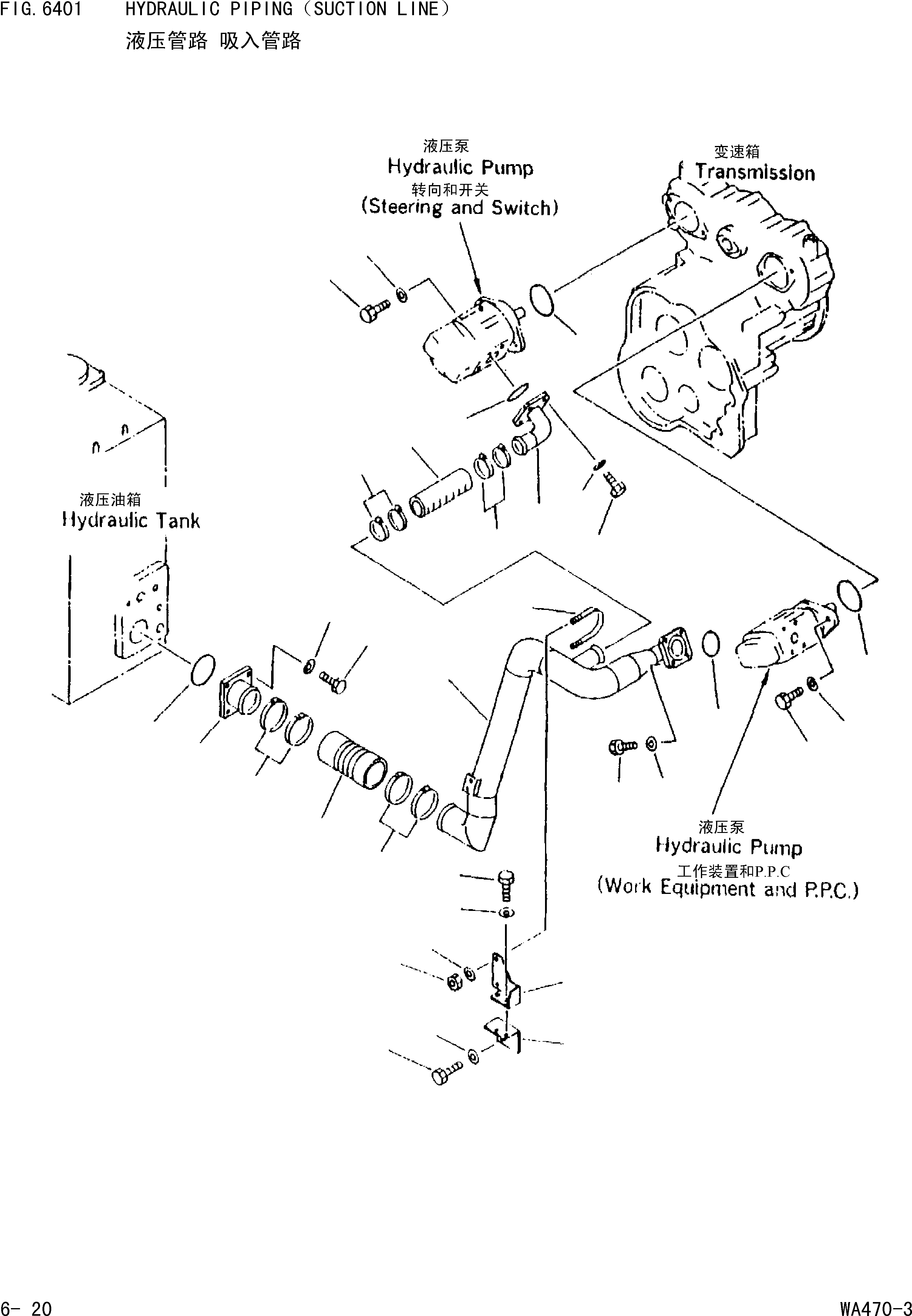
| ? | 421-62-23210 | TUBE | 1 | Field_1: 25001- Field_2: |
|||
| ? | 07000-12075 | O-RING | 1 | Field_1: 25001- Field_2: |
|||
| ? | 07372-21235 | BOLT | 4 | Field_1: 25001- Field_2: |
|||
| ? | 01643-51232 | WASHER | 4 | Field_1: 25001- Field_2: |
|||
| ? | 07260-05823 | HOSE | 1 | Field_1: 25001- Field_2: |
|||
| ? | 07281-00909 | CLAMP | 4 | Field_1: 25001- Field_2: |
|||
| ? | 421-62-23230 | TUBE | 1 | Field_1: 25001- Field_2: |
|||
| ? | 07000-12060 | O-RING | 1 | Field_1: 25001- Field_2: |
|||
| ? | 07372-21235 | BOLT | 4 | Field_1: 25001- Field_2: |
|||
| ? | 01643-51232 | WASHER | 4 | Field_1: 25001- Field_2: |
|||
| ? | 421-62-23940 | HOSE | 1 | Field_1: 25001- Field_2: |
|||
| ? | 07289-00120 | CLAMP | 4 | Field_1: 25001- Field_2: |
|||
| ? | 421-62-23220 | TUBE | 1 | Field_1: 25001- Field_2: |
|||
| ? | 07000-12105 | O-RING | 1 | Field_1: 25001- Field_2: |
|||
| ? | 01010-81235 | BOLT | 4 | Field_1: 25001- Field_2: |
|||
| ? | 01643-31232 | WASHER | 4 | Field_1: 25001- Field_2: |
|||
| ? | 421-62-23260 | PLATE | 1 | Field_1: 25001- Field_2: |
|||
| ? | 01010-81030 | BOLT | 2 | Field_1: 25001- Field_2: |
|||
| ? | 01643-31032 | WASHER | 2 | Field_1: 25001- Field_2: |
|||
| ? | 421-62-23270 | PLATE | 1 | Field_1: 25001- Field_2: |
|||
| ? | 01010-81030 | BOLT | 2 | Field_1: 25001- Field_2: |
|||
| ? | 01643-31032 | WASHER | 2 | Field_1: 25001- Field_2: |
|||
| ? | 07283-21079 | CLIP | 1 | Field_1: 25001- Field_2: |
|||
| ? | 01643-31232 | WASHER | 2 | Field_1: 25001- Field_2: |
|||
| ? | 01599-01214 | NUT | 2 | Field_1: 25001- Field_2: |
|||
| ? | 07000-12130 | O-RING | 2 | Field_1: 25001- Field_2: |
|||
| ? | 01010-81645 | BOLT | 4 | Field_1: 25001- Field_2: |
|||
| ? | 01643-31645 | WASHER | 4 | Field_1: 25001- Field_2: |