k-part
Номер на схеме Каталожный номер Название Количество Детали
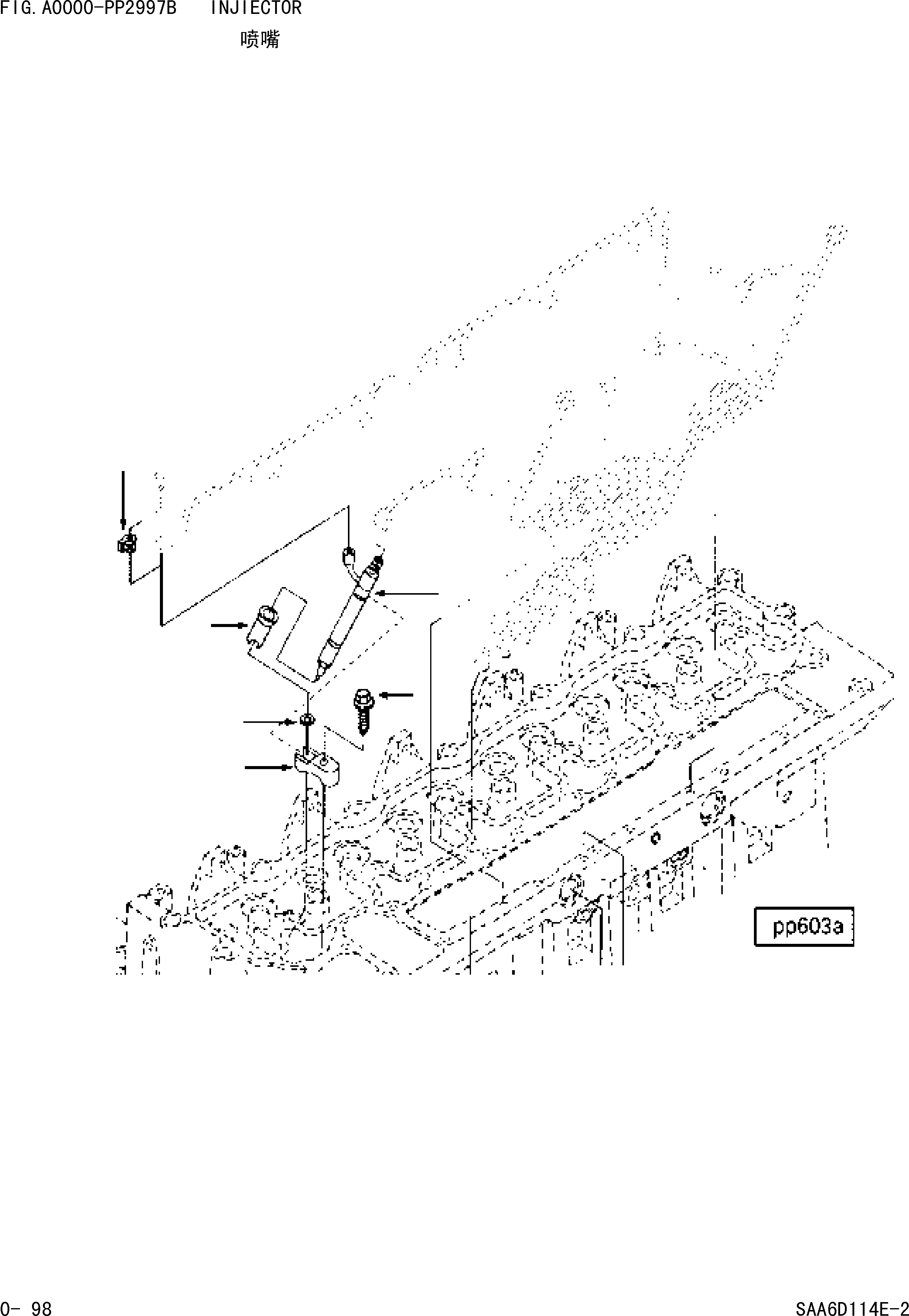
? 6732-71-6230 SEAL,BANJO CONNECTOR,6.2mm 6
Field_1: 21677326-
Field_2:
? 6742-01-0740 SEAL,INJECTOR 6
Field_1: 21677326-
Field_2:
? 6736-11-3420 SEAL,INJECTOR 6
Field_1: 21677326-
Field_2:
? 6743-12-3110 INJECTOR 6
Field_1: 21677326-
Field_2:
? 6736-81-8730 SCREW,M8X1.25X80 6
Field_1: 21677326-
Field_2:
? 6742-01-3100 CLAMP,INJECTOR 6
Field_1: 21677326-
Field_2:

Wheel Loaders Komatsu / WA380-3 S/N 16338-UP(cw3800t2) / INJIECTOR(|000050 : |000050)
?
?
?
?
?
?