| Номер на схеме | Каталожный номер | Название | Количество | Детали | |||
|---|---|---|---|---|---|---|---|
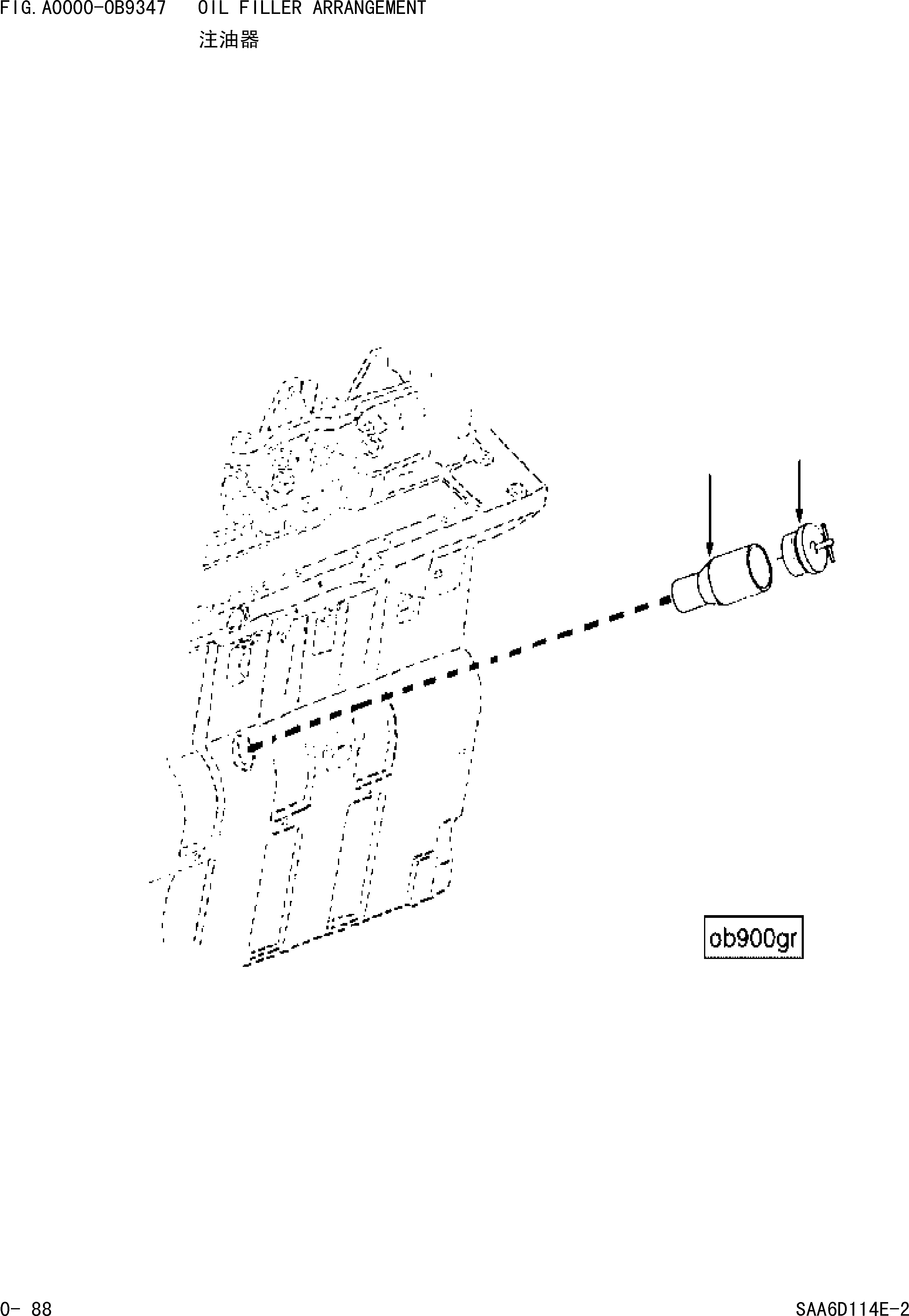
| ? | 6742-01-2600 | CAP,FILLER | 1 | Field_1: 21677326- Field_2: |
|||
| ? | 6742-01-2610 | TUBE,OIL FILLER | 1 | Field_1: 21677326- Field_2: |
| Номер на схеме | Каталожный номер | Название | Количество | Детали | |||
|---|---|---|---|---|---|---|---|
| ? | 6742-01-2600 | CAP,FILLER | 1 | Field_1: 21677326- Field_2: |
|||
| ? | 6742-01-2610 | TUBE,OIL FILLER | 1 | Field_1: 21677326- Field_2: |