k-part
Номер на схеме Каталожный номер Название Количество Детали
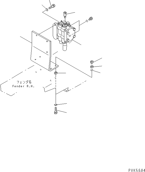
? (104-60-41200) VALVE ASS'Y,(SEE FIG. Y1680-21A1) 1
SN: 78604-
? 700-22-11750 PLUG 1
SN: 78604-
? 01010-80825 BOLT 3
SN: 78604-
? 01602-20825 WASHER,SPRING 3
SN: 78604-
? 104-60-41110 BRACKET 1
SN: 78604-
? 01010-80825 BOLT 4
SN: 78604-
? 01602-20825 WASHER,SPRING 4
SN: 78604-
? 104-60-32130 CUSHION 8
SN: 78604-
? 104-60-32140 COLLAR 4
SN: 78604-
? 07000-02015 O-RING 4
SN: 78604-

Bulldozers Komatsu / D20A-7-M S/N 78604-UP(d20a-7-r) / MAIN VALVE (MOUNT) (FOR ANGLE DOZER) (FOR BACK HOE)(180220 : H0120-01A8)
?
?
?
?
?
?
?
?
?
?
?