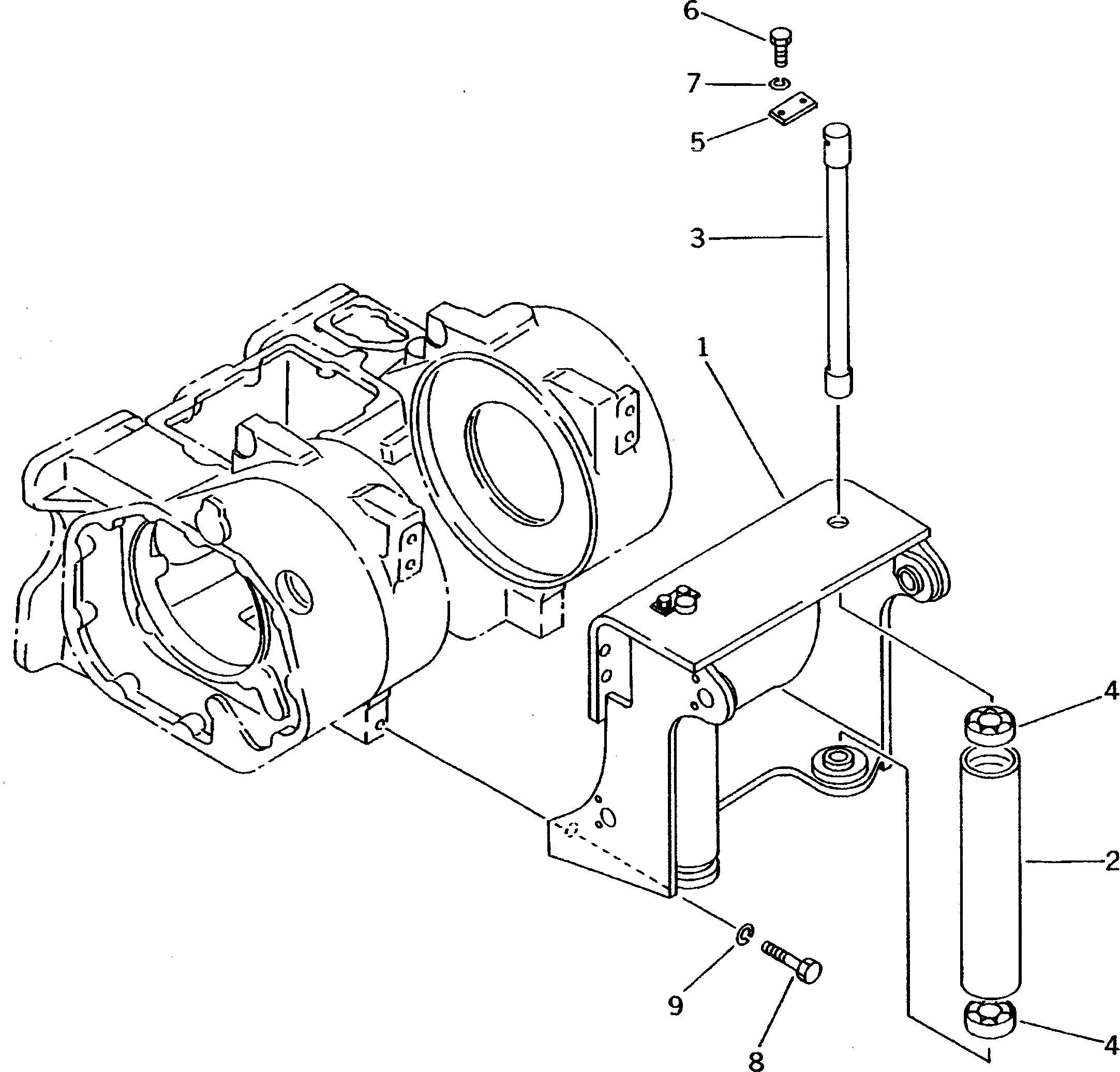
| Номер на схеме | Каталожный номер | Название | Количество | Детали | |||
|---|---|---|---|---|---|---|---|
| ? | 101-Z61-4210 | FRAME | 1 | SN: 78604- |
|||
| ? | 101-Z61-4140 | ROLLER | 4 | SN: 78604- |
|||
| ? | 101-Z61-4150 | SHAFT | 4 | SN: 78604- |
|||
| ? | 06044-06206 | BEARING,BALL | 8 | SN: 78604- |
|||
| ? | 04082-00110 | LOCK | 4 | SN: 78604- |
|||
| ? | 01010-81020 | BOLT | 8 | SN: 78604- |
|||
| ? | 01602-21030 | WASHER,SPRING | 8 | SN: 78604- |
|||
| ? | 01010-81635 | BOLT | 6 | SN: 78604- |
|||
| ? | 01643-31645 | WASHER | 6 | SN: 78604- |
