k-part
Номер на схеме Каталожный номер Название Количество Детали
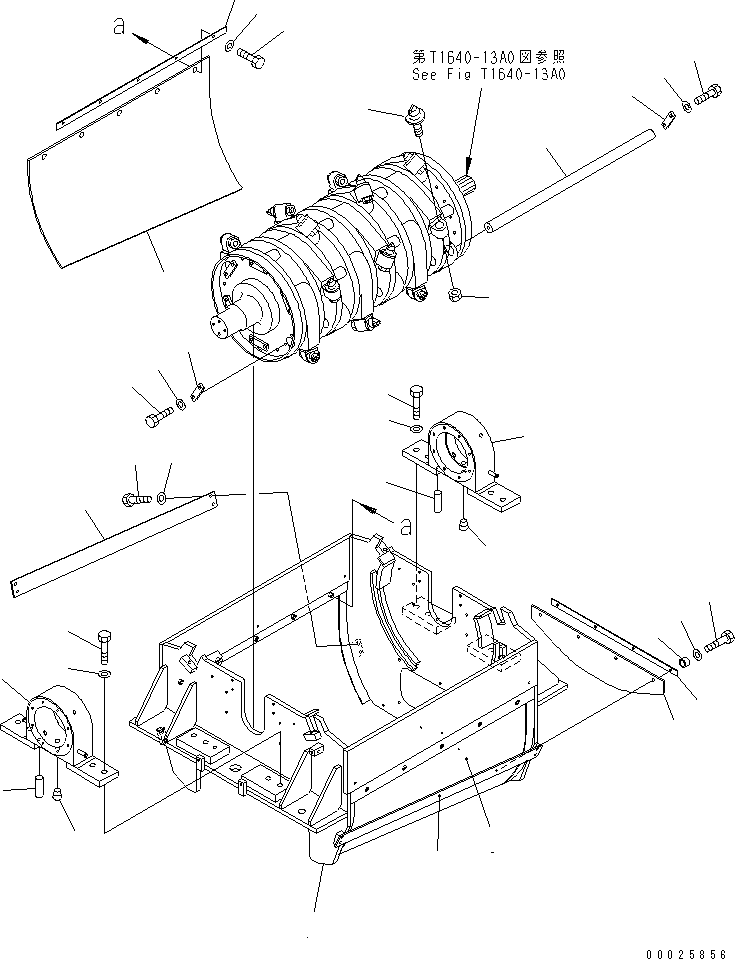
? 8287-70-2263 FRAME 1
SN: 1198-1270
? 8287-70-2262 FRAME 1
SN: 1101-1197
? 8287-70-3430 PLATE 2
SN: 1101-@
? 01010-81230 BOLT 8
SN: 1101-@
? 01643-31232 WASHER 8
SN: 1101-@
? 8287-70-3380 PLATE 2
SN: 1101-@
? 8287-70-3410 PLATE 2
SN: 1101-@
? 01010-81020 BOLT 10
SN: 1101-@
? 01643-31032 WASHER 10
SN: 1101-@
? 8287-70-3390 PLATE 1
SN: 1101-@
? 8287-70-3420 PLATE 1
SN: 1101-@
? 567-54-11610 SPACER 4
SN: 1101-@
? 01010-81035 BOLT 4
SN: 1101-@
? 01643-31032 WASHER 4
SN: 1101-@
? 8287-70-2493 BIT 18
SN: 1101-@
? 01803-12430 NUT 18
SN: 1101-@
? 8287-70-2461 SHAFT 6
SN: 1101-@
? 8287-70-2390 PLATE 12
SN: 1101-@
? 01010-81230 BOLT 24
SN: 1101-@
? 01643-31232 WASHER 24
SN: 1101-@
? 8287-70-2282 BLOCK 1
SN: 1198-@
? 8287-70-2281 BLOCK 1
SN: 1101-1197
? 8287-70-2292 BLOCK 1
SN: 1198-@
? 8287-70-2291 BLOCK 1
SN: 1101-1197
? 07043-00415 PLUG 2
SN: 1101-@
? 04020-01638 PIN 2
SN: 1101-@
? 01018-32465 BOLT 8
SN: 1198-@
? 01010-82465 BOLT 8
SN: 1101-1197
? 01643-32460 WASHER 8
SN: 1101-@

Mobile crushers and recyclers Komatsu / BR200T-1A S/N 1101-UP(br200t0r) / CRUSHER (1/3)(#1101-1270)(360240 : T1640-11A0)
?
?
?
?
?
?
?
?
?
?
?
?
?
?
?
?
?
?
?
?
?
?
?
?
?
?
?
?
?
?
?
?
?
?